Description
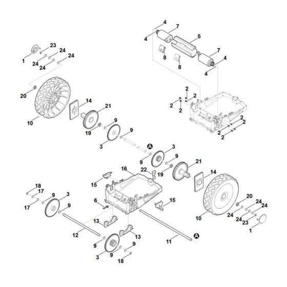
The Rear Wheel Drive Unit Assembly for Viking MI 555.0 C Robotic Mowers is a genuine Viking part designed to ensure optimal performance. This assembly includes key components such as gears, axles, and bearings, which work together to provide reliable propulsion and manoeuvrability. Regular maintenance of these parts helps maintain the mower's efficiency and longevity.
Reviews
Add a review
Write Your Own Review
Ask a Question
Customer Questions

