Description
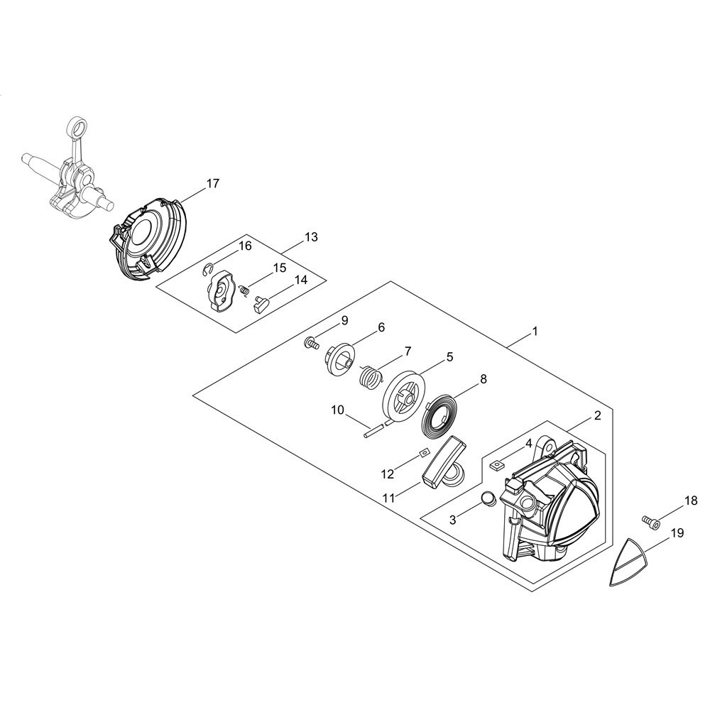
The Recoil Starter and Pulley for the ECHO SRM-2620ES/L Brushcutter are essential components for reliable engine starting. Designed to fit the specific model, these parts ensure smooth operation and longevity. Available in both genuine and non-genuine options, they provide flexibility for maintenance and repair needs.
Reviews
Add a review
Write Your Own Review
Ask a Question
Customer Questions

