Description
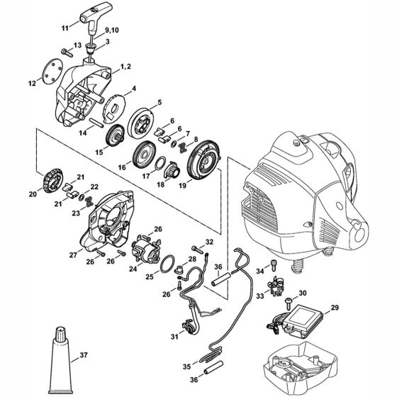
The Rewind Electric Starter Assembly for the Stihl FR460C Backpack Brushcutter ensures efficient engine starting and reliable operation. This assembly includes key components such as the recoil spring, starter rope, and housing, designed to fit seamlessly with the Stihl FR460C model. Essential for maintaining the performance and longevity of your brushcutter, these parts are available in both genuine and non-genuine options.
Reviews
Add a review
Write Your Own Review
Ask a Question
Customer Questions

