Description
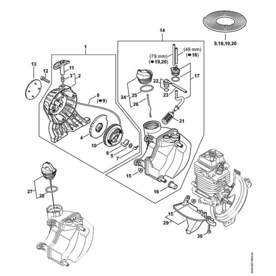
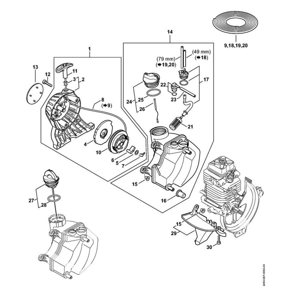
The rewind starter and fuel tank for the Stihl HL 95 Long Reach Hedge Trimmer are essential components for maintaining optimal performance. The rewind starter ensures reliable engine ignition, while the fuel tank provides a secure reservoir for fuel storage. These genuine Stihl parts are designed to fit seamlessly, ensuring durability and efficiency during hedge trimming tasks.
Reviews
Add a review
Write Your Own Review
Ask a Question
Customer Questions

