
Atlas Copco XAS 38 Compressor
Spare parts and part diagrams, including filters, washers and seals for Atlas Copco XAS 38 Compressor. The Atlas Copco XAS 38 is a compact and portable compressor known for its versatility and efficiency. The Atlas Copco XAS 38 is an ideal choice for construction sites, utility works, and other demanding environments requiring portable compressed air.
Spare parts and part diagrams, including filters, washers and seals for Atlas Copco XAS 38 Compressor. The Atlas Copco XAS 38 is a compact and portable compressor known for its versatility and efficiency. The Atlas Copco XAS 38 is an ideal choice for construction sites, utility works, and other demanding environments requiring portable compressed air.
Shop by diagram

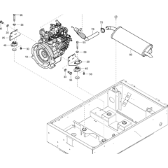
Compressor Drive Assembly

Shaft Drive Assembly

Air Inlet Assembly for XAS 38 Kd

Air Outlet-1 Assembly

Air Outlet-2 Assembly

Regulating System for XAS 38 Kd

Unloader Assembly for Atlas Copco

Oil System Assembly for XAS 38 Kd

Bodywork Assembly for XAS 38 Kd

Hood Assembly for XAS 38 Kd

Frame and Mounts for XAS 38 Kd

Frame-1 Assembly for XAS 38 Kd

Frame Assembly for XAS38Kd

Gearset Assembly for XAS 38 Kd

Markings-1 Assembly for XAS 38 Kd

Markings-2 Assembly for XAS 38 Kd

Country Set Assembly for XAS 38 Kd

Bumper Assembly for XAS 38 Kd

Lubricator Assembly for XAS 38 Kd

Restrictor Box for XAS 38 Kd

Engine & Accessories Assembly

Engine Parts for Atlas Copco XAS 38

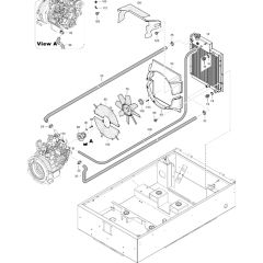
Cooler and Fan Assembly

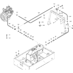
Fuel System for Atlas Copco XAS 38 Kd

Electrical System Assembly

Control Panel Assembly for XAS 38 Kd
All products
-
Anti Vibration Pad - Atlas Copco No. 1202 9006 01£60.82 £50.68
-
Regulating Valve - Atlas Copco No. 1626 8240 80£559.20 £466.00
-
Locknut - Atlas Copco No. 0291 1110 00£0.48 £0.40
-
Hex. Head Screw - Atlas Copco No. 0147 1325 03£0.43 £0.36
-
Scr.Bolt M8x20 - Atlas Copco No. 1619 2766 00£1.01 £0.84
-
Hex. Head Screw - Atlas Copco No. 1615 5664 00£0.91 £0.76
-
Cap Screw - Atlas Copco No. 0211 1365 00£1.01 £0.84
-
Flat Gasket - Atlas Copco No. 0653 1100 00£3.10 £2.58
-
Scraper Bolt - Atlas Copco No. 1604 3423 00£1.49 £1.24
-
Hexagon Bolt - Atlas Copco No. 0147 1368 03£1.18 £0.98
-
Rivet - Atlas Copco No. 0129 3174 01£1.78 £1.48
-
Screw - Atlas Copco No. 0147 1958 74£1.66 £1.38
-
Hose Clip - Atlas Copco No. 1604 4137 00£2.51 £2.09
-
Hose Clamp - Atlas Copco No. 0347 0122 07£2.05 £1.71
-
Retainer - Atlas Copco No. 1615 8346 00£2.83 £2.36
-
O-Ring - Atlas Copco No. 0663 3132 00£2.48 £2.07
-
Hex. Head Screw - Atlas Copco No. 0147 1959 45£3.24 £2.70
-
Ball Stud - Atlas Copco No. 1626 3108 00£3.48 £2.90
-
O-Ring - Atlas Copco No. 0663 2107 84£2.66 £2.22
-
Hex Sock. Screw - Atlas Copco No. 0216 1247 03£0.38 £0.32
-
Hose Clamp - Atlas Copco No. 0347 6109 00£3.24 £2.70