
Atlas Copco XAS 58 Compressor
Spare parts and part diagrams, including filters, fuel cap, switches and couplings for Atlas Copco XAS 58 Compressor. The Atlas Copco XAS 58 is a robust and high-performance compressor designed for heavy-duty applications. The compressor is equipped with user-friendly controls, easy maintenance access, and enhanced portability, making it well-suited for construction sites, mining operations, and other demanding industrial applications.
Spare parts and part diagrams, including filters, fuel cap, switches and couplings for Atlas Copco XAS 58 Compressor. The Atlas Copco XAS 58 is a robust and high-performance compressor designed for heavy-duty applications. The compressor is equipped with user-friendly controls, easy maintenance access, and enhanced portability, making it well-suited for construction sites, mining operations, and other demanding industrial applications.
Shop by diagram

Frame and Mounts Assembly

Frame-1 Assembly for XAS 58 Kd

Frame-2 Assembly for XAS 58 Kd

Frame-3 Assembly for XAS 58 Kd

Frame Assembly for XAS58 Kd

Compressor Drive Assembly

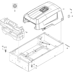
Bodywork Assembly for XAS 58 Kd

Air Inlet Assembly for XAS 58 Kd

Air Outlet-1 Assembly

Air Outlet-2 Assembly

Shaft Drive Assembly for XAS 58 Kd

Vessel Low Pressure Assembly

Air Vessel Assembly for XAS 58 Kd

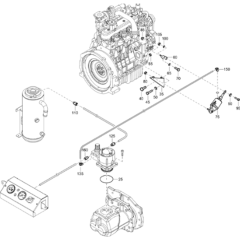
Oil System for Atlas Copco XAS 58 Kd

Hood Assembly for XAS 58 Kd

Regulating System Assembly

Regulating Valve Assembly

Unloader Assembly for XAS 58 Kd

No Cold Start Assembly

No Aftercooler Assembly

Gearset Assembly for XAS 58 Kd

Markings-1 Assembly for XAS 58 Kd

Markings-2 Assembly for XAS 58 Kd

No Road Signal Assembly

Country Set Assembly for XAS 58 Kd

Restrictor Assembly for XAS 58 Kd

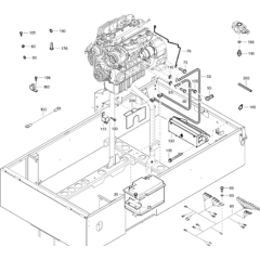
Engine & Accessories for XAS 58 Kd

Engine Parts for Atlas Copco XAS 58

Cooler and Fan Assembly

Cooler Assembly for XAS 58 Kd

Fuel System Assembly

Fuel Tank Assembly for XAS 58 Kd

Electrical System Assembly

Control Panel for Atlas Copco XAS 58 Kd
All products
-
Anti Vibration Pad - Atlas Copco No. 1202 9006 01£60.82 £50.68
-
V-Belt for Atlas Copco Machine - 2914 8667 00£12.52 £10.43
-
Regulating Valve - Atlas Copco No. 1626 8240 80£559.20 £466.00
-
Engine Fan - Atlas Copco No. 1604 5854 00£339.60 £283.00
-
Locknut - Atlas Copco No. 0291 1110 00£0.48 £0.40
-
Hex. Head Screw - Atlas Copco No. 0147 1325 03£0.43 £0.36
-
Hex. Head Screw - Atlas Copco No. 0147 1964 02£1.01 £0.84
-
Scr.Bolt M8x20 - Atlas Copco No. 1619 2766 00£1.01 £0.84
-
Hex. Head Screw - Atlas Copco No. 1615 5664 00£0.91 £0.76
-
Cap Screw - Atlas Copco No. 0211 1365 00£1.01 £0.84
-
Flat Gasket - Atlas Copco No. 0653 1100 00£3.10 £2.58
-
Scraper Bolt - Atlas Copco No. 1604 3423 00£1.49 £1.24
-
Hexagon Bolt - Atlas Copco No. 0147 1368 03£1.18 £0.98
-
Rivet - Atlas Copco No. 0129 3174 01£1.78 £1.48
-
Bolt - Atlas Copco No. 1604 6466 00£1.73 £1.44
-
Dichtung - Atlas Copco No. 0653 1124 00£1.58 £1.32
-
Screw - Atlas Copco No. 0147 1958 74£1.66 £1.38
-
Hose Clip - Atlas Copco No. 1604 4137 00£2.51 £2.09
-
Hose Clamp - Atlas Copco No. 0347 0122 07£2.05 £1.71
-
Retainer - Atlas Copco No. 1615 8346 00£2.83 £2.36
-
O-Ring - Atlas Copco No. 0663 3132 00£2.48 £2.07
-
Hex. Head Screw - Atlas Copco No. 0147 1959 45£3.24 £2.70
-
Ball Stud - Atlas Copco No. 1626 3108 00£3.48 £2.90
-
O-Ring - Atlas Copco No. 0663 2107 84£2.66 £2.22
-
Seal Washer - Atlas Copco No. 0661 1000 40£3.56 £2.97
-
Plug 1/4 A A - Atlas Copco No. 0686 3716 01£2.34 £1.95
-
Hex Sock. Screw - Atlas Copco No. 0216 1247 03£0.38 £0.32
-
Hose Clamp - Atlas Copco No. 0347 6109 00£3.24 £2.70