Description
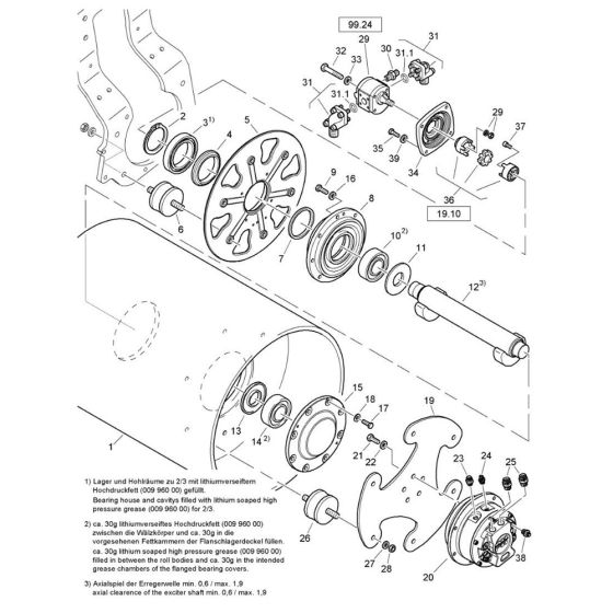
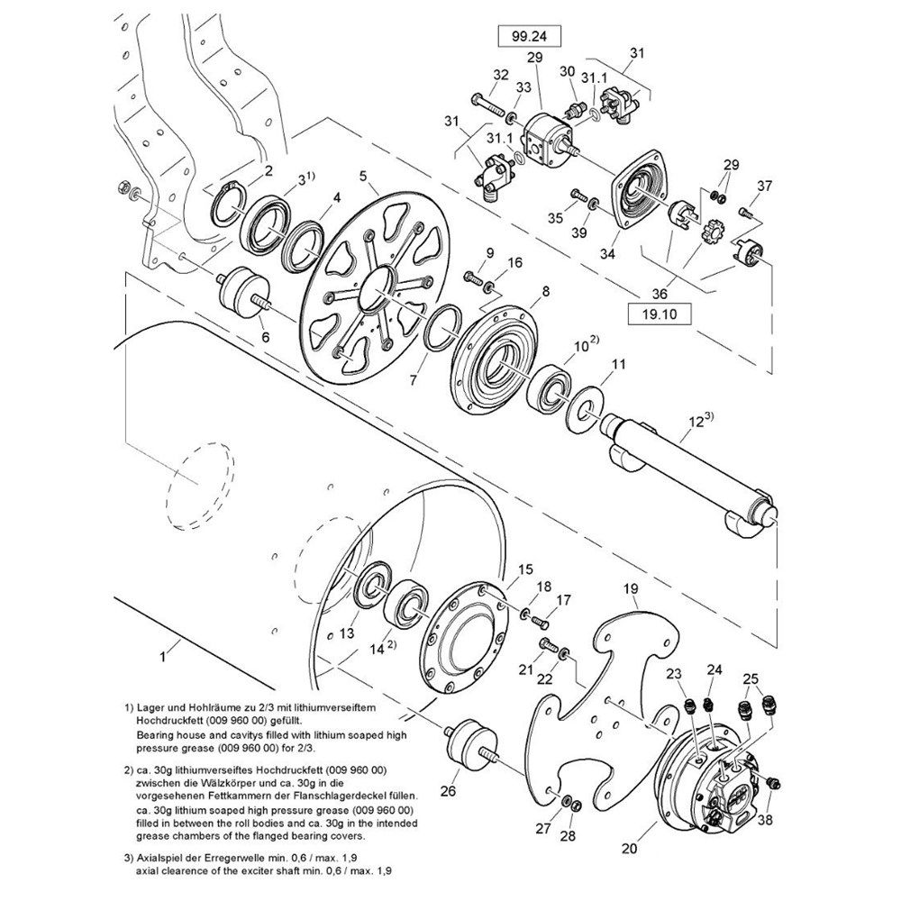
The Roller Drum Assembly for the Bomag BW 120 ADe-5 Roller is essential for maintaining optimal performance and durability. Designed specifically for the Bomag model, this assembly includes components that ensure smooth operation and effective compaction. Typical parts may include bearings, seals, and drum shells, all crucial for the roller's function. Suitable for serial numbers 101880761001 to 101880769999.
Reviews
Add a review
Write Your Own Review
Ask a Question
Customer Questions

