Description
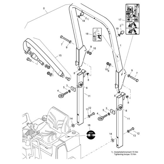
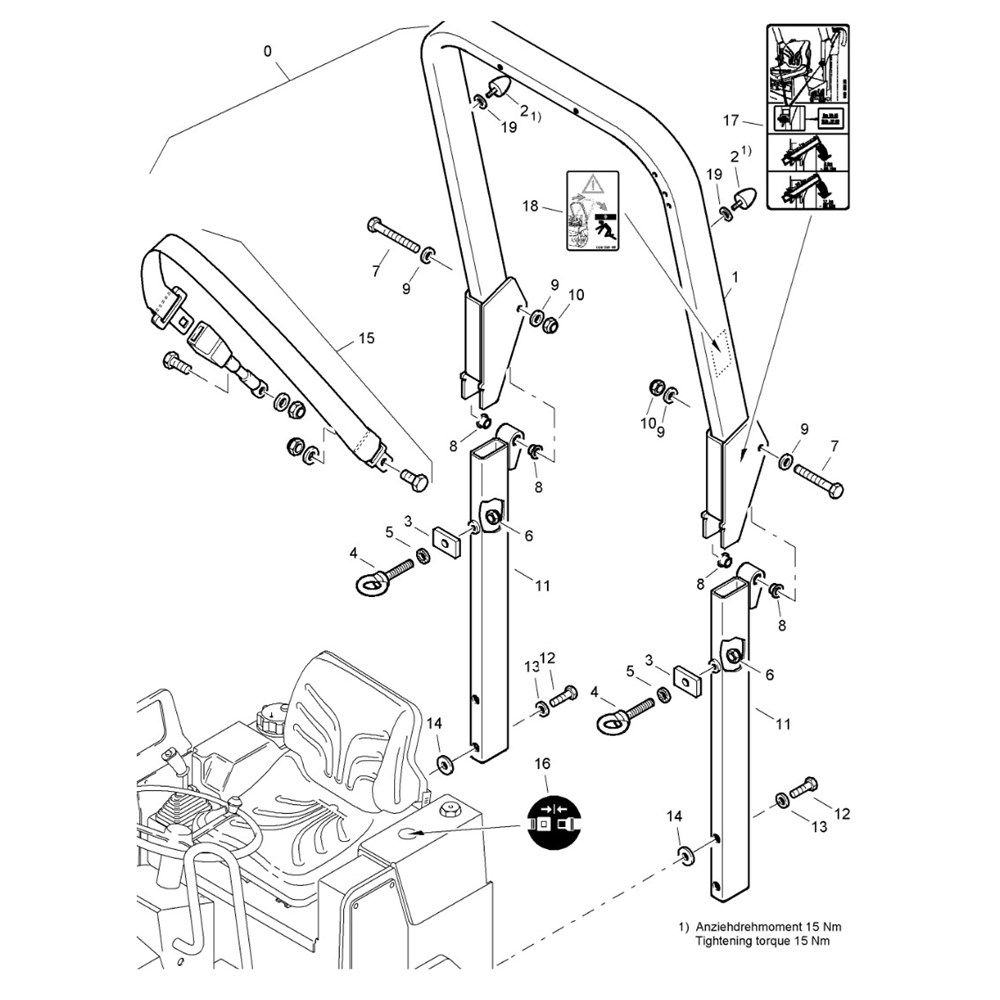
The ROPS Hinged Assembly for the Bomag BW80 ADS Roller is designed to enhance safety and functionality. This assembly includes critical components that ensure the roller's roll-over protection system operates effectively. It is essential for maintaining the structural integrity and safety of the machine during operation. Available parts may include hinges, brackets, and fasteners, all tailored to fit the Bomag BW80 ADS model.
Reviews
Add a review
Write Your Own Review
Ask a Question
Customer Questions

