Description
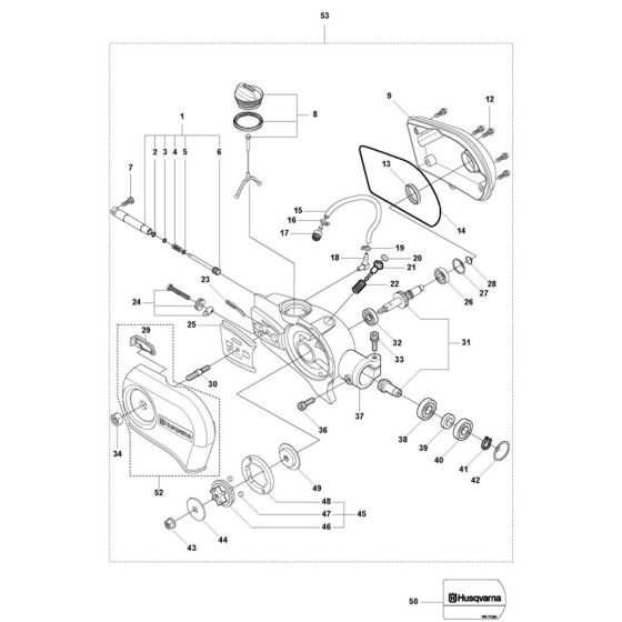
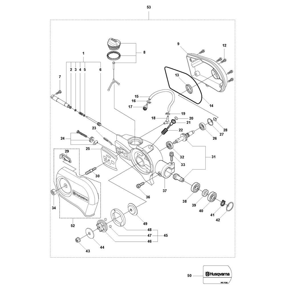
The Saw Head Assembly for the Husqvarna 327P4 Pole Pruner is designed to ensure efficient cutting performance and durability. This assembly includes key components such as the chain, bar, and sprocket, which work together to deliver precise cuts. Ideal for maintaining trees and shrubs, it supports the pruner's functionality by providing reliable operation. Genuine Husqvarna parts ensure compatibility and longevity.
Reviews
Add a review
Write Your Own Review
Ask a Question
Customer Questions

