Description
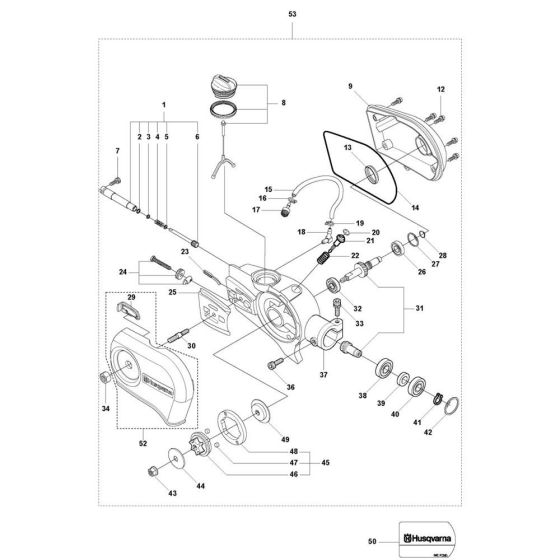
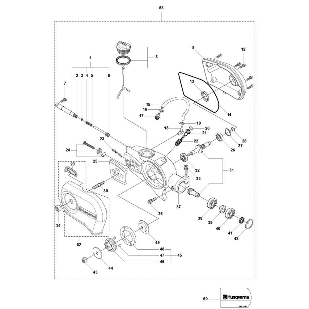
The Saw Head Assembly for the Husqvarna 327P5x Pole Pruner is designed to ensure optimal cutting performance and durability. This assembly includes key components such as the chain, bar, and sprocket, which work together to deliver precise and efficient pruning. Essential for maintaining the pruner's functionality, these parts are genuine Husqvarna, ensuring compatibility and reliability.
Reviews
Add a review
Write Your Own Review
Ask a Question
Customer Questions

