
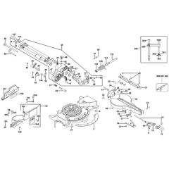
DeWalt DW712N Type 4 Mitre Saw Parts
Spare Parts and Part Diagrams for DeWalt DW712N Type 4 Mitre Saws
Spare Parts and Part Diagrams for DeWalt DW712N Type 4 Mitre Saws
Shop by diagram
All products
-
Roller, Genuine DeWalt Part - OEM No. 146774-00£5.52 £4.60 -
Screw for DeWalt DW217, DW221 Drills - 330019-13£4.14 £3.45 -
Push Rivet for DeWalt DCS365, DCS777 Mitre Saws - 607491-00Was £4.14 £3.45 Special Price £2.40 £2.00 -
Circlip - Genuine DeWalt Part - 144803-00£4.14 £3.45 -
Grease - Genuine DeWalt Part - 5140061-28£73.86 £61.55 -
Screw - Genuine DeWalt Part - 330045-08£2.05 £1.71