Description
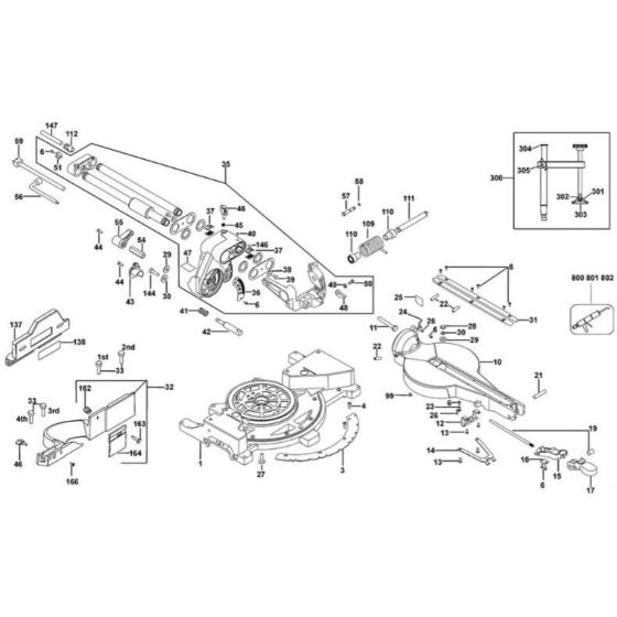
The Main Assembly for the DeWalt DW712N Type 4 Mitre Saw includes key components to ensure optimal performance and longevity. This genuine DeWalt part is essential for maintaining the saw's precision and efficiency. Components such as the motor housing, blade guard, and adjustment levers are included, providing comprehensive support for various cutting tasks.
Reviews
Add a review
Write Your Own Review
Ask a Question
Customer Questions

