Description
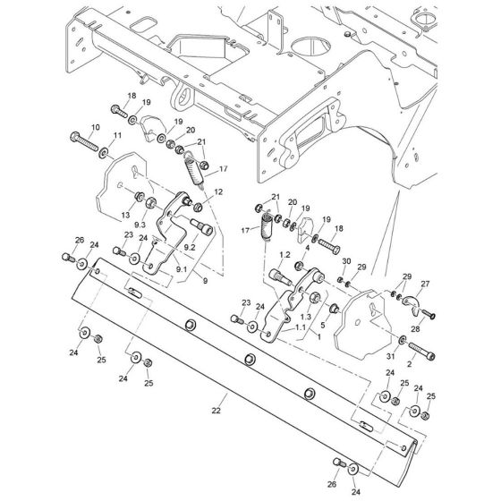
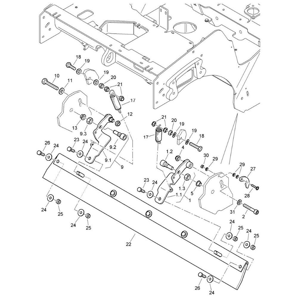
The Scraper Assembly for the Bomag BW 120 AD-5 CC Roller is designed to maintain optimal performance by effectively removing debris and preventing build-up on the roller surface. This assembly includes components such as blades, brackets, and fasteners, ensuring efficient operation during compaction tasks. Essential for routine maintenance, it helps prolong the life of the roller and ensures smooth operation on various surfaces.
Reviews
Add a review
Write Your Own Review
Ask a Question
Customer Questions

