Description
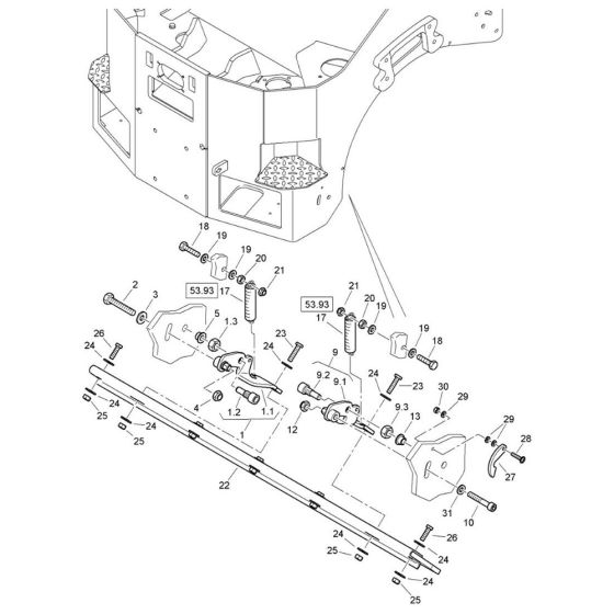
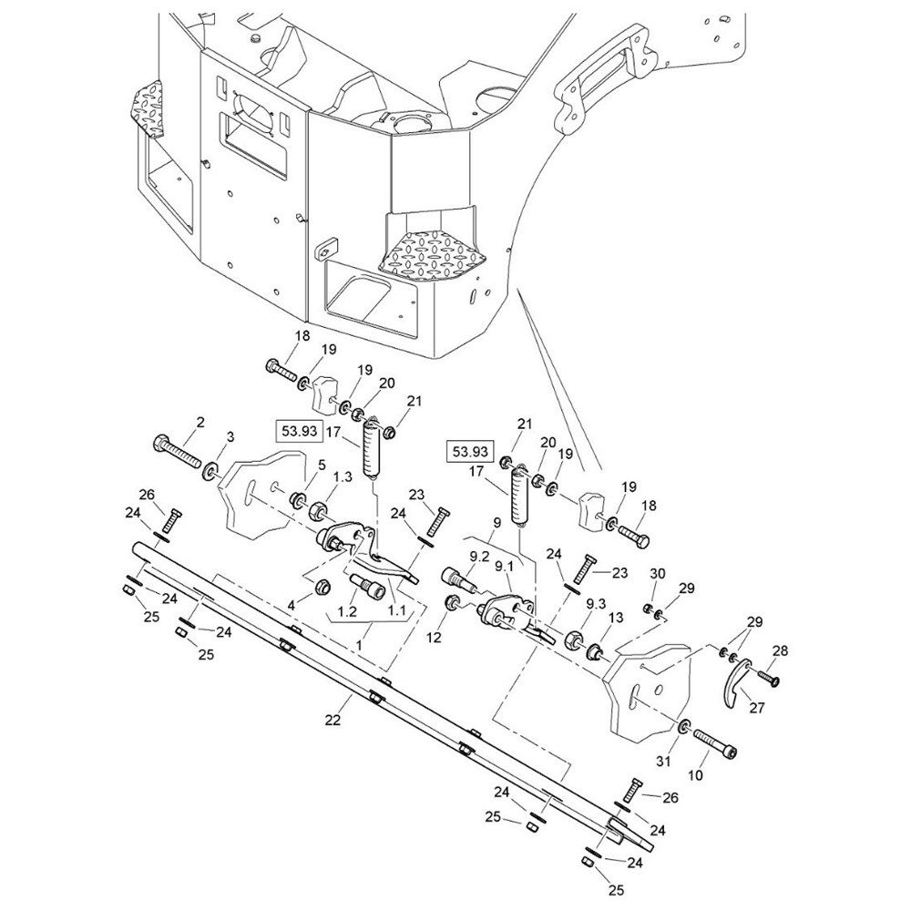
The Scraper Assembly for the Bomag BW 120 AD-5 CC Roller is designed to maintain optimal performance by removing debris and preventing build-up on the roller surface. Essential for ensuring smooth operation, this assembly includes components such as blades and brackets. Genuine Bomag parts ensure compatibility and reliability.
Reviews
Add a review
Write Your Own Review
Ask a Question
Customer Questions

