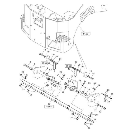
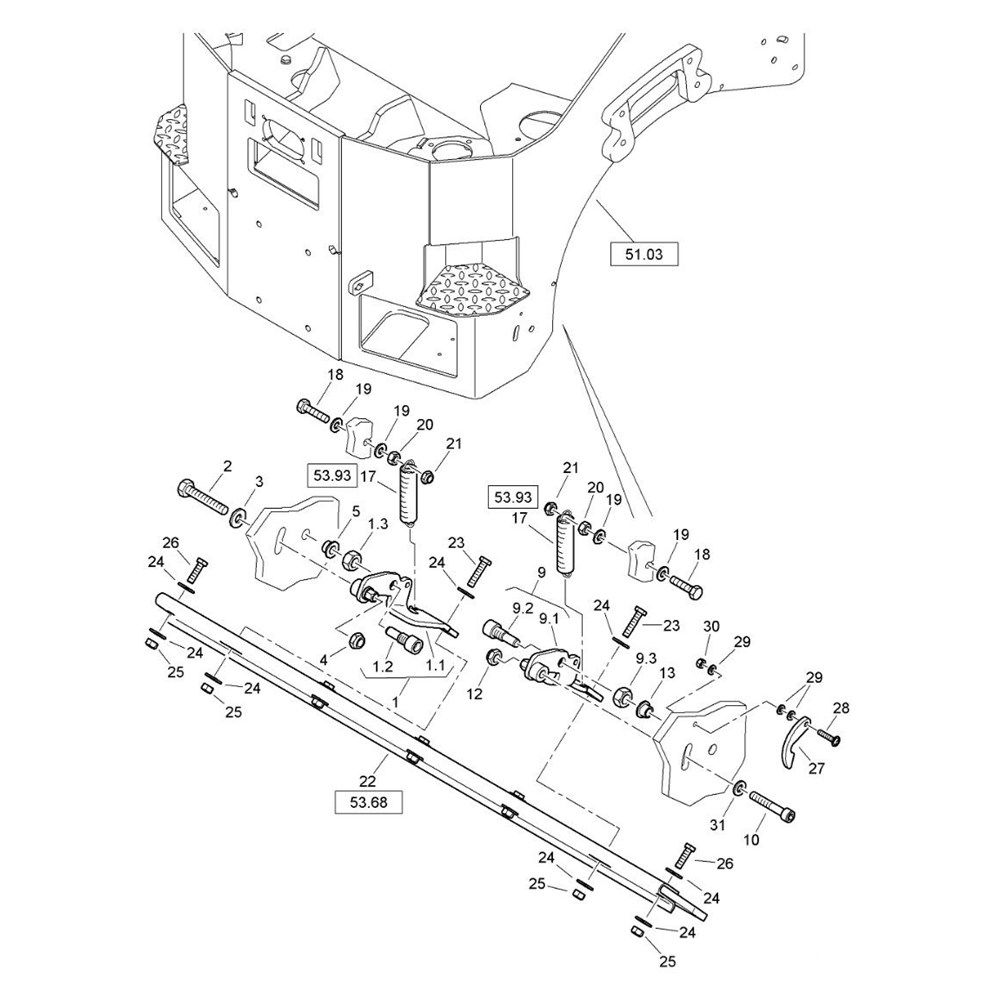
Description
The Scraper Assembly for the Bomag BW 120 ADe-5 Roller is designed to ensure optimal performance and longevity of the machine. This assembly helps in maintaining the roller's efficiency by preventing material build-up on the drum. It includes components such as blades, brackets, and fasteners, all essential for effective operation. Suitable for models with serial numbers 101880761001 to 101880769999.
Reviews
Add a review
Write Your Own Review
Ask a Question
Customer Questions

