Description
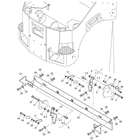
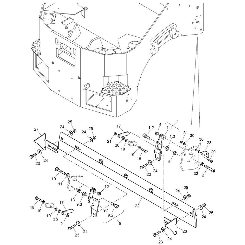
The Scraper Assembly for the Bomag BW 120 AD-5 CC Roller is designed to maintain optimal performance by removing debris from the drum surface. This assembly includes components such as blades, brackets, and fasteners, ensuring efficient operation. Genuine Bomag parts guarantee compatibility and durability for your tandem roller.
Reviews
Add a review
Write Your Own Review
Ask a Question
Customer Questions

