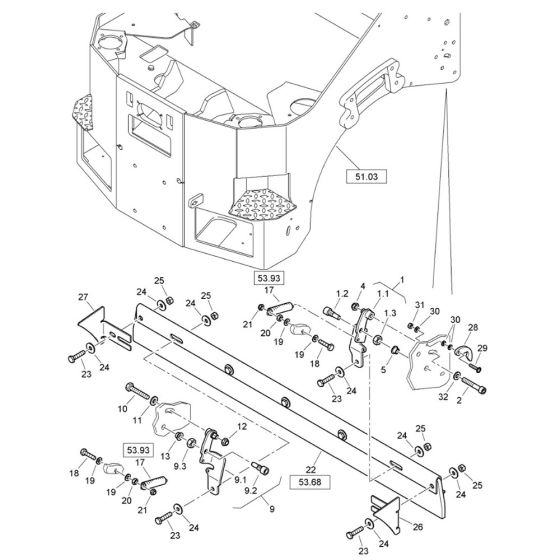
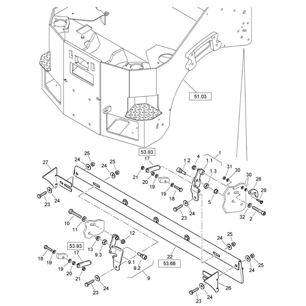
Description
The Scraper Assembly for the Bomag BW 120 ADe-5 Roller is designed to maintain optimal performance by removing debris and preventing build-up on the roller surface. This assembly is crucial for ensuring smooth operation and longevity of the machine. It includes components like blades and brackets, tailored for specific serial numbers from 101880761001 to 101880769999.
Reviews
Add a review
Write Your Own Review
Ask a Question
Customer Questions

