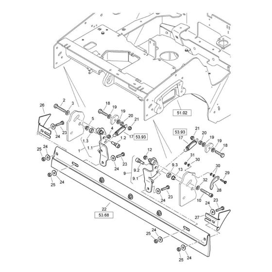
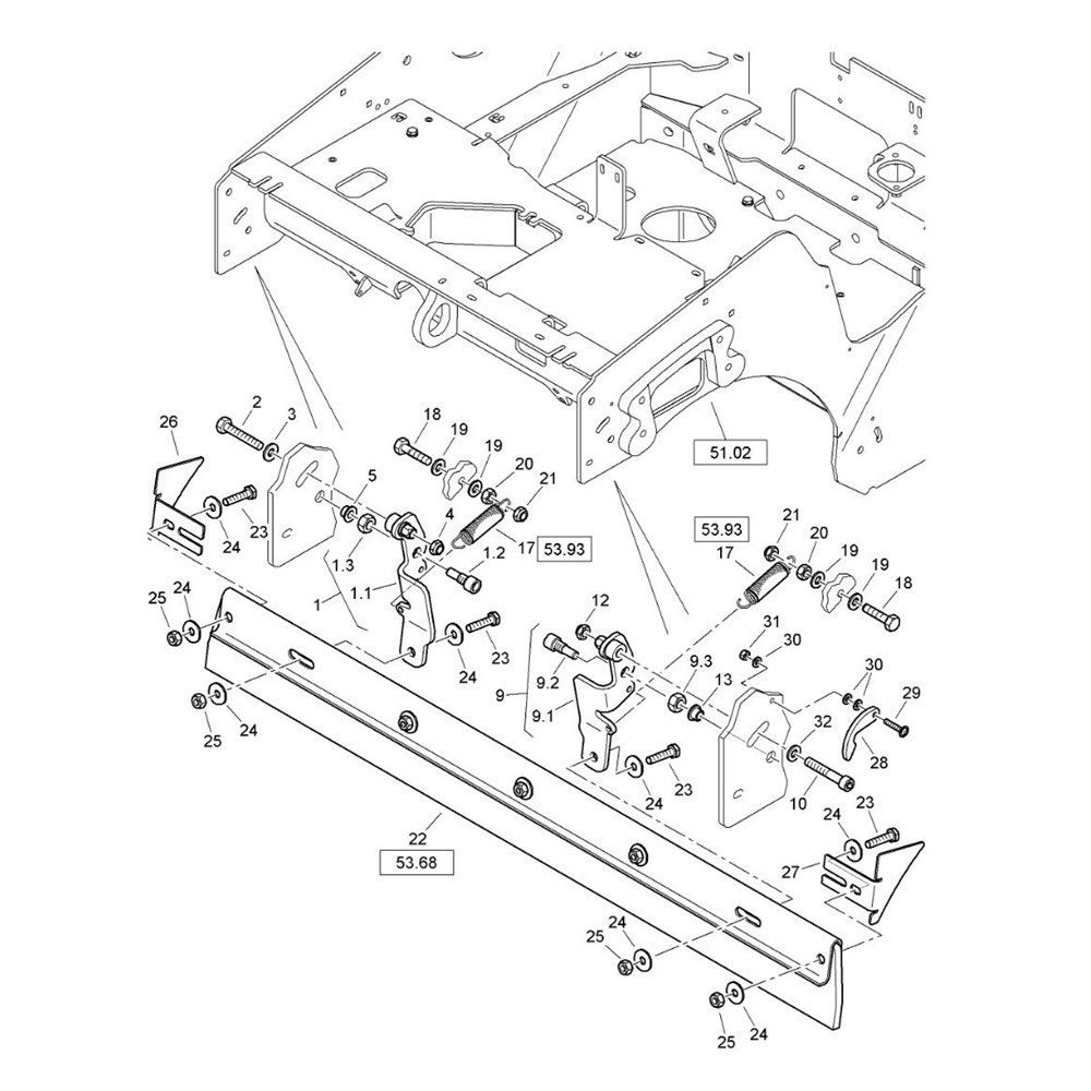
Description
The Scraper Assembly for the Bomag BW 120 ADe-5 Roller is designed to maintain optimal performance by removing debris and preventing build-up on the roller drum. This assembly includes essential components such as blades, brackets, and fasteners, ensuring efficient operation. Suitable for models within the serial range 101880761001 to 101880769999.
Reviews
Add a review
Write Your Own Review
Ask a Question
Customer Questions

