Description
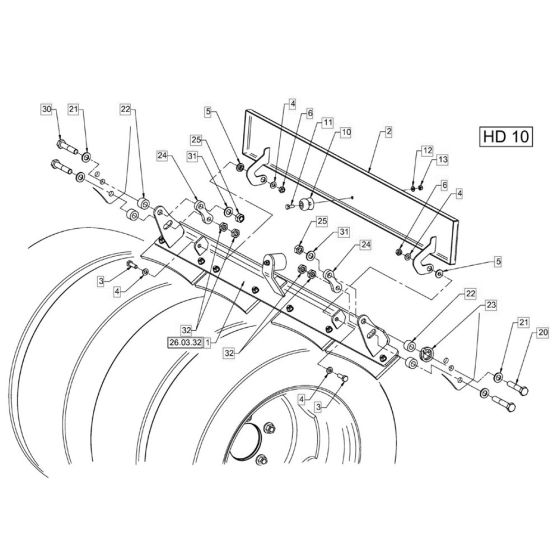
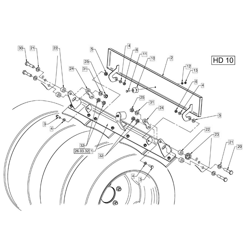
Scraper tyres designed for the Hamm HD10 - 12 (H171) Compaction Roller ensure optimal performance and durability on various surfaces. These tyres are available in both genuine and non-genuine versions, providing flexibility for different maintenance needs. Suitable for heavy-duty applications, they contribute to efficient compaction and extended machine life.
Reviews
Add a review
Write Your Own Review
Ask a Question
Customer Questions

