Description
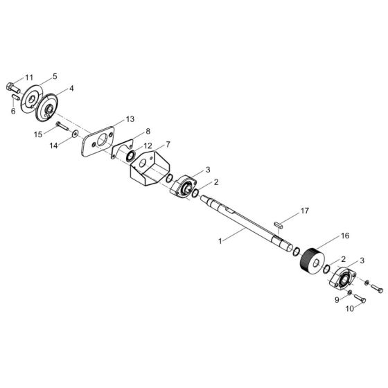
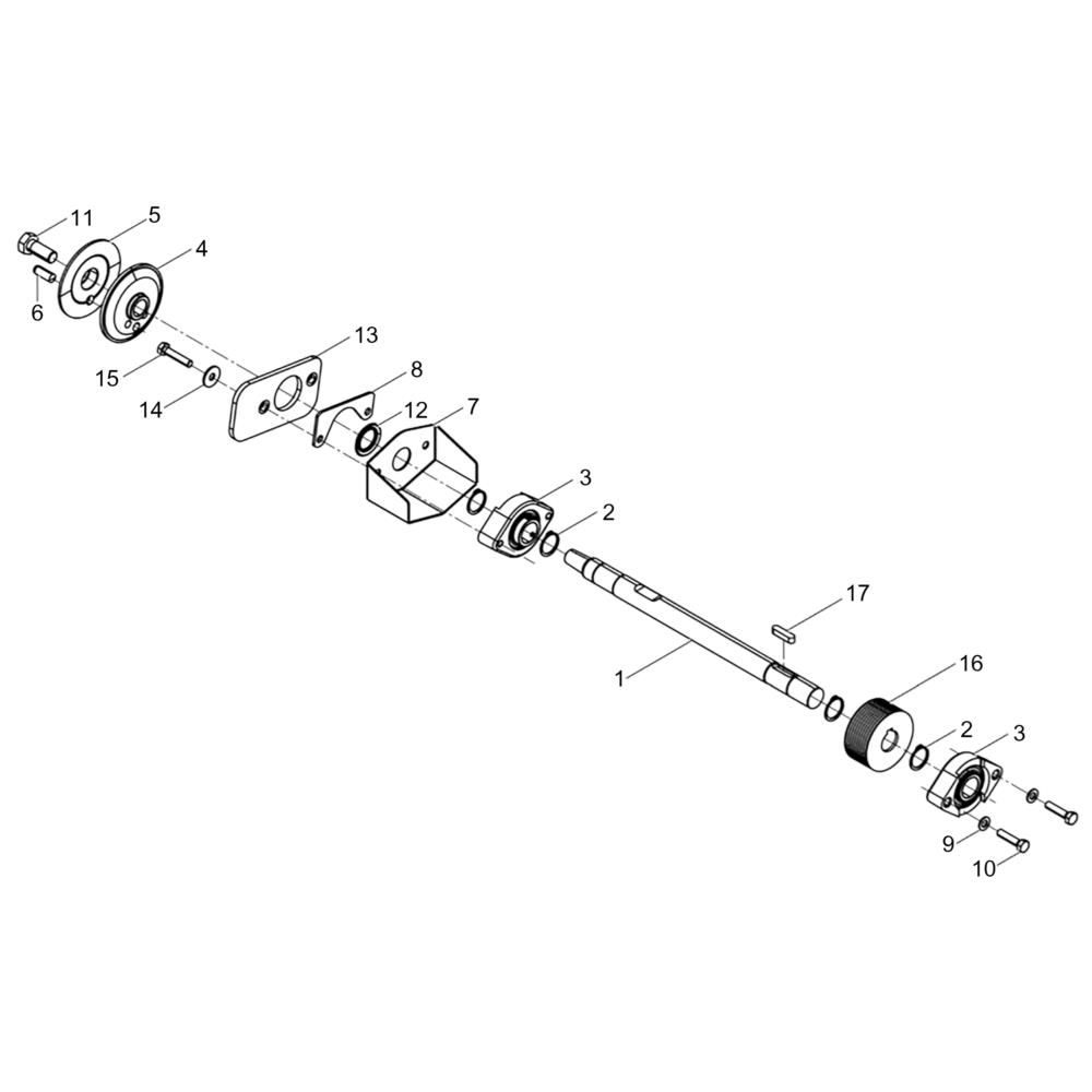
The Shaft Assembly for the Wacker BFS 735 Floor Saw is crucial for optimal performance and longevity. This assembly includes components that ensure efficient power transmission and stability during operation. Designed for the Wacker Neuson model, it helps maintain cutting precision and reliability. Typical parts include bearings, shafts, and couplings, all essential for smooth operation.
Reviews
Add a review
Write Your Own Review
Ask a Question
Customer Questions

