Description
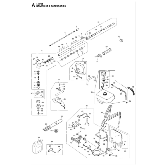
The Shaft & Handle Assembly for Husqvarna 443RB Brushcutters is designed to ensure optimal control and manoeuvrability during operation. This assembly includes components such as the shaft, handle, and connecting hardware, which are essential for maintaining the brushcutter's performance. Available in genuine and non-genuine parts, it supports effective maintenance and repair.
Reviews
Add a review
Write Your Own Review
Ask a Question
Customer Questions

