Description
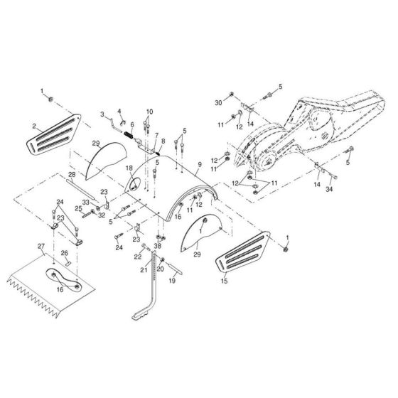
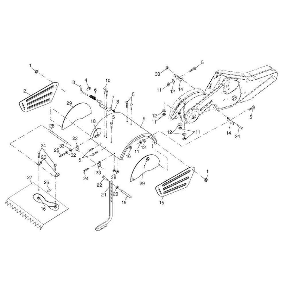
The Shield Assembly for the Husqvarna CRT 1350 LS Cultivator/Tiller is designed to protect the machine and operator during use. This assembly includes components that help shield the engine and other vital parts from debris and damage, ensuring efficient operation. Genuine Husqvarna parts are used to maintain the integrity and performance of your cultivator.
Reviews
Add a review
Write Your Own Review
Ask a Question
Customer Questions

