Description
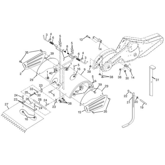
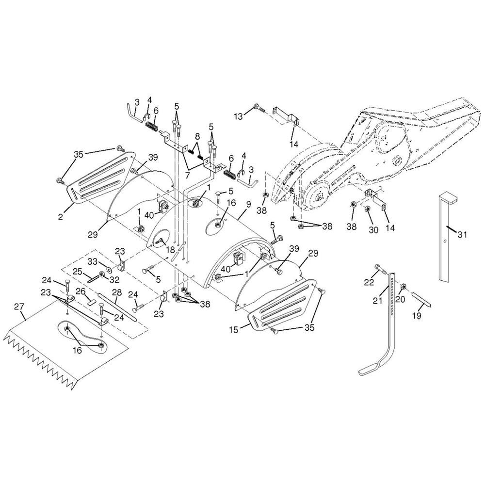
The Shield Assembly for the Husqvarna DRT 900 Cultivator/Tiller is designed to protect the machine and operator from debris during operation. This assembly includes essential components such as guards and brackets that ensure safe and efficient tilling. Genuine Husqvarna parts are used to maintain the integrity and performance of your cultivator.
Reviews
Add a review
Write Your Own Review
Ask a Question
Customer Questions

