Description
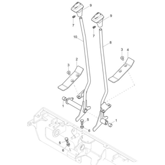
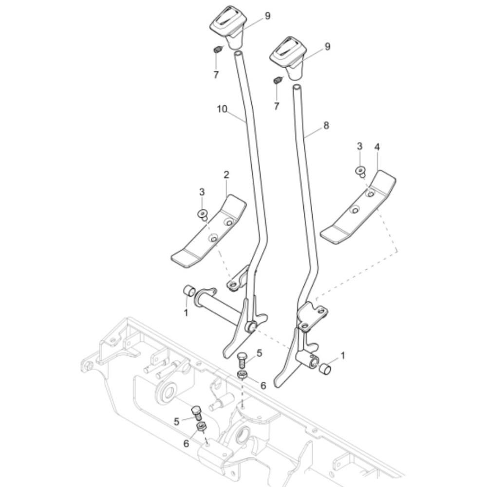
The Shift Lever Assembly for the Wacker ET16 Mini Excavator is essential for precise control and operation. This assembly includes components like levers, springs, and brackets, ensuring smooth gear transitions and reliable performance. Designed for durability, it supports the excavator's functionality in various construction tasks.
Reviews
Add a review
Write Your Own Review
Ask a Question
Customer Questions

