Description
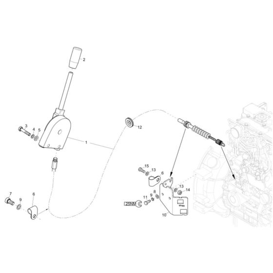
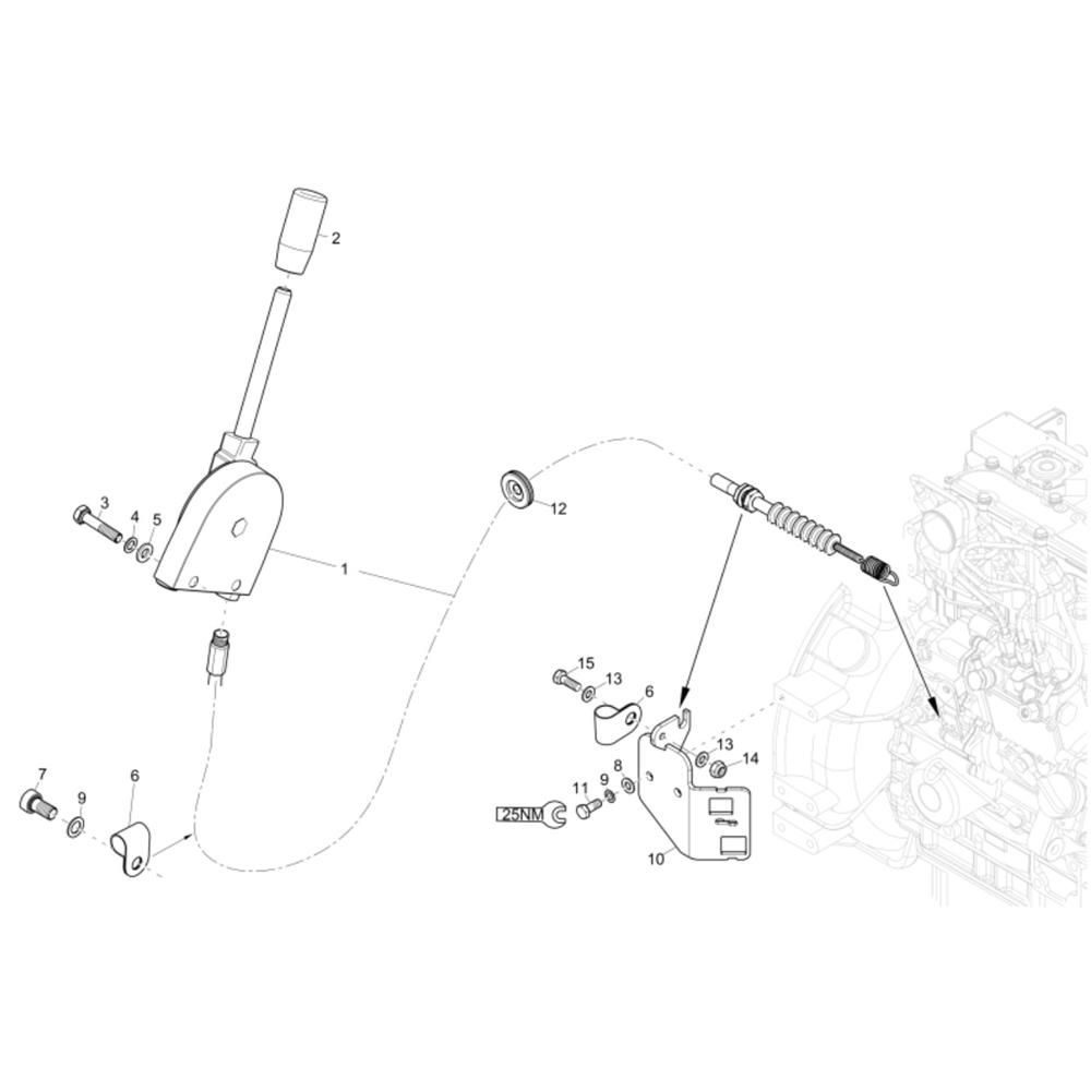
The Speed Actuator Assembly for the Wacker EZ17 Mini Excavator is essential for controlling machine speed and performance. This assembly includes components like actuators, levers, and connectors, ensuring precise operation and efficiency. Designed for the Wacker Neuson model, it supports optimal functionality and durability in various excavation tasks.
Reviews
Add a review
Write Your Own Review
Ask a Question
Customer Questions

