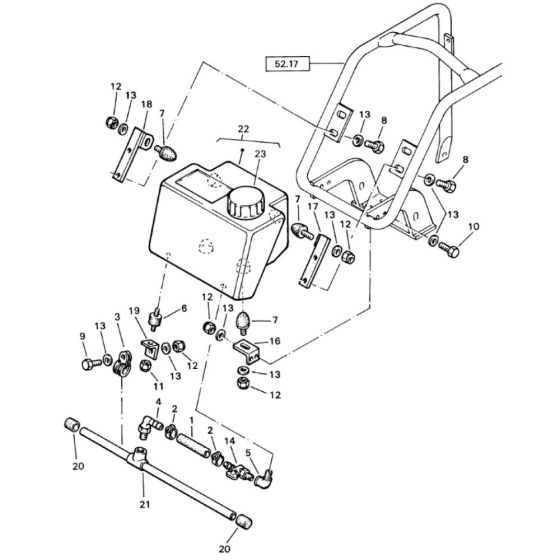
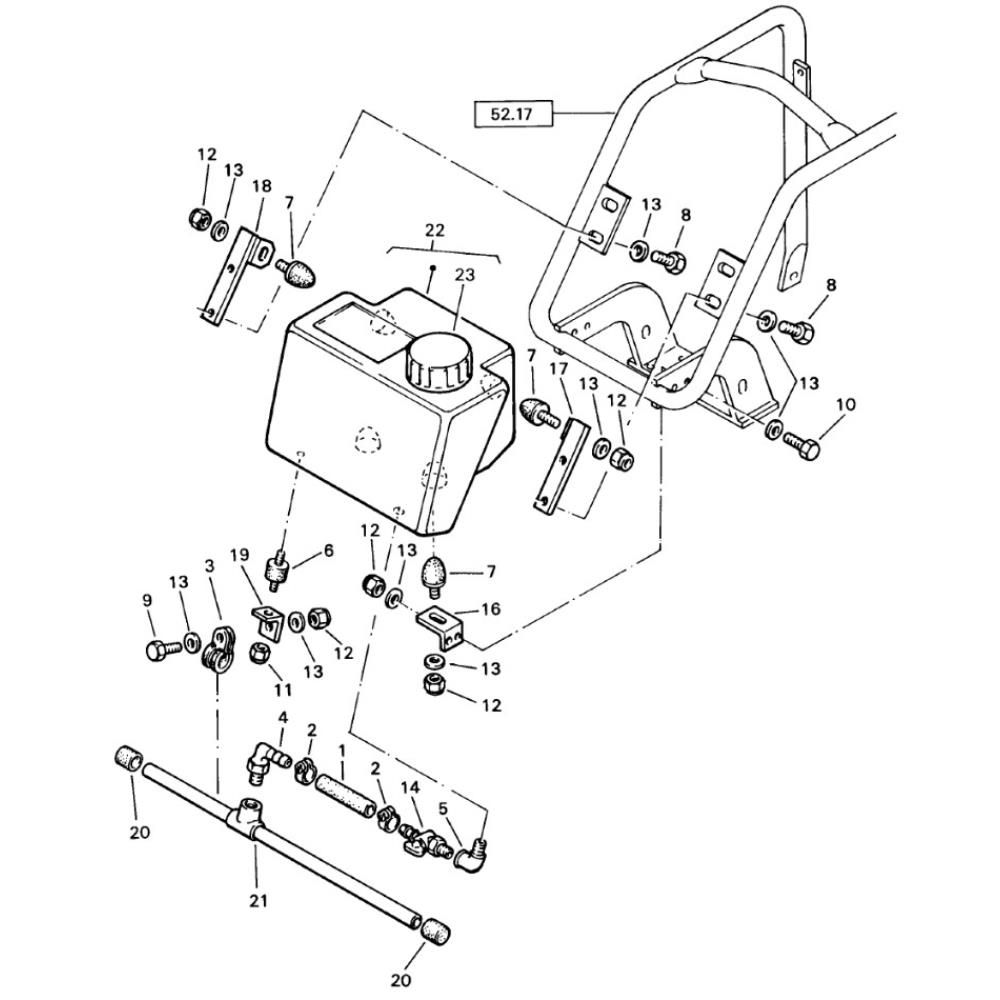
Description
The Sprinkler System Assembly for Bomag BP 20/60 Compactors is designed to enhance the machine's performance by ensuring optimal dust control and cooling. This assembly includes components such as hoses, nozzles, and valves, which work together to distribute water evenly. Essential for maintaining compactor efficiency, it helps prolong the lifespan of the equipment by reducing wear from dust and debris.
Reviews
Add a review
Write Your Own Review
Ask a Question
Customer Questions

