Description
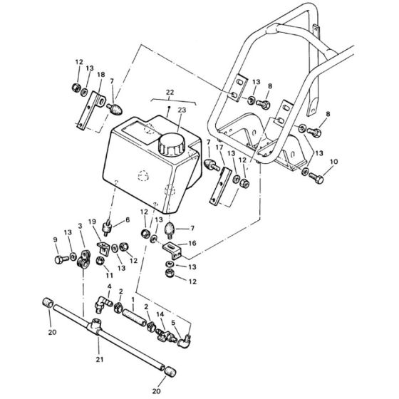
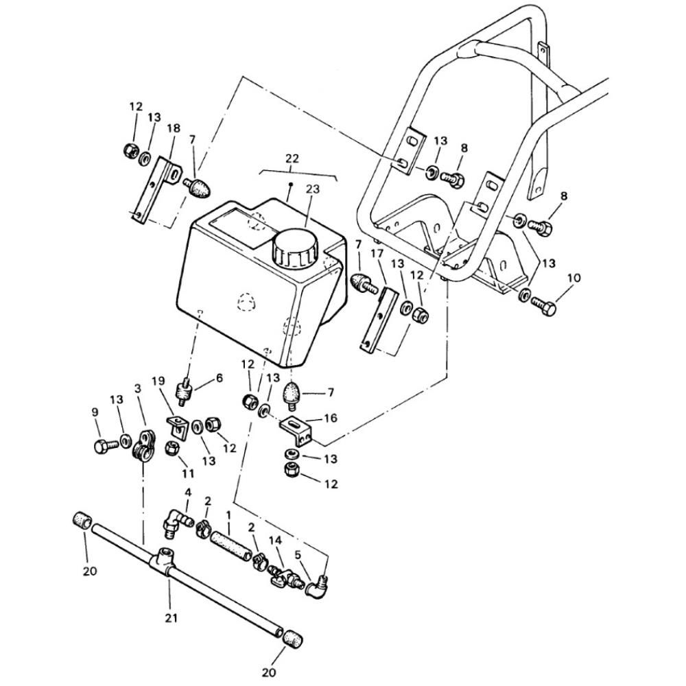
The Sprinkler System Assembly for Bomag BP 23/60 Compactors is designed to ensure optimal dust control and cooling during operation. This assembly includes essential components such as hoses, nozzles, and connectors, which work together to distribute water evenly across the compacted surface. Regular maintenance of these parts helps maintain the efficiency and longevity of your compactor.
Reviews
Add a review
Write Your Own Review
Ask a Question
Customer Questions

