Description
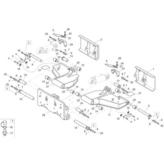
The Stabiliser (Front) Assembly for the Wacker EW65 Mini Excavator is designed to enhance stability and operational efficiency. This assembly includes key components such as hydraulic cylinders, pins, and brackets, ensuring optimal performance during excavation tasks. Genuine Wacker Neuson parts guarantee compatibility and reliability, maintaining the machine's integrity.
Reviews
Add a review
Write Your Own Review
Ask a Question
Customer Questions

