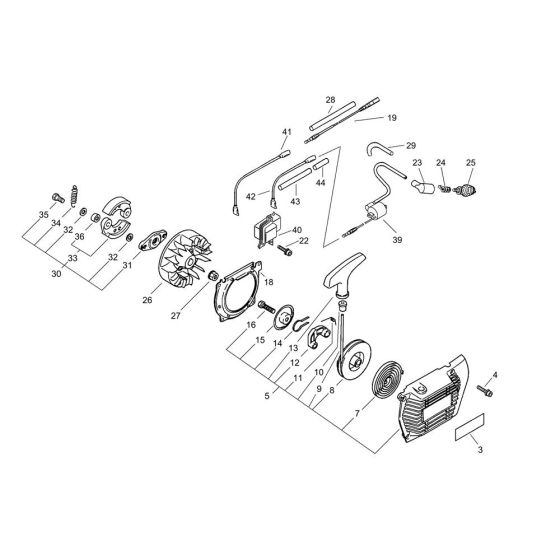
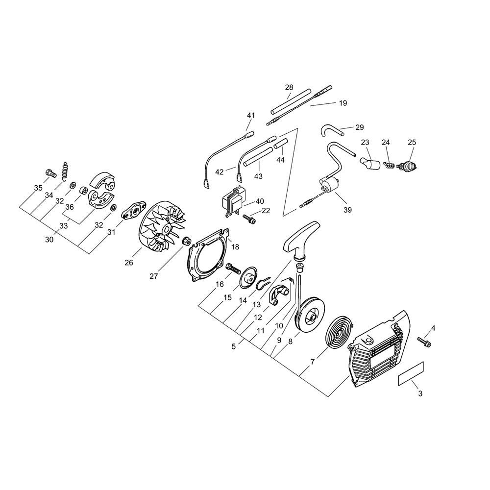
Description
The Starter, Magneto, and Clutch assembly for the ECHO CLS-5800 Brushcutter includes components essential for efficient operation. These parts ensure smooth starting, reliable ignition, and effective power transfer. Available in genuine and non-genuine options, they are designed to maintain the brushcutter's performance and longevity.
Reviews
Add a review
Write Your Own Review
Ask a Question
Customer Questions

