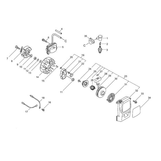
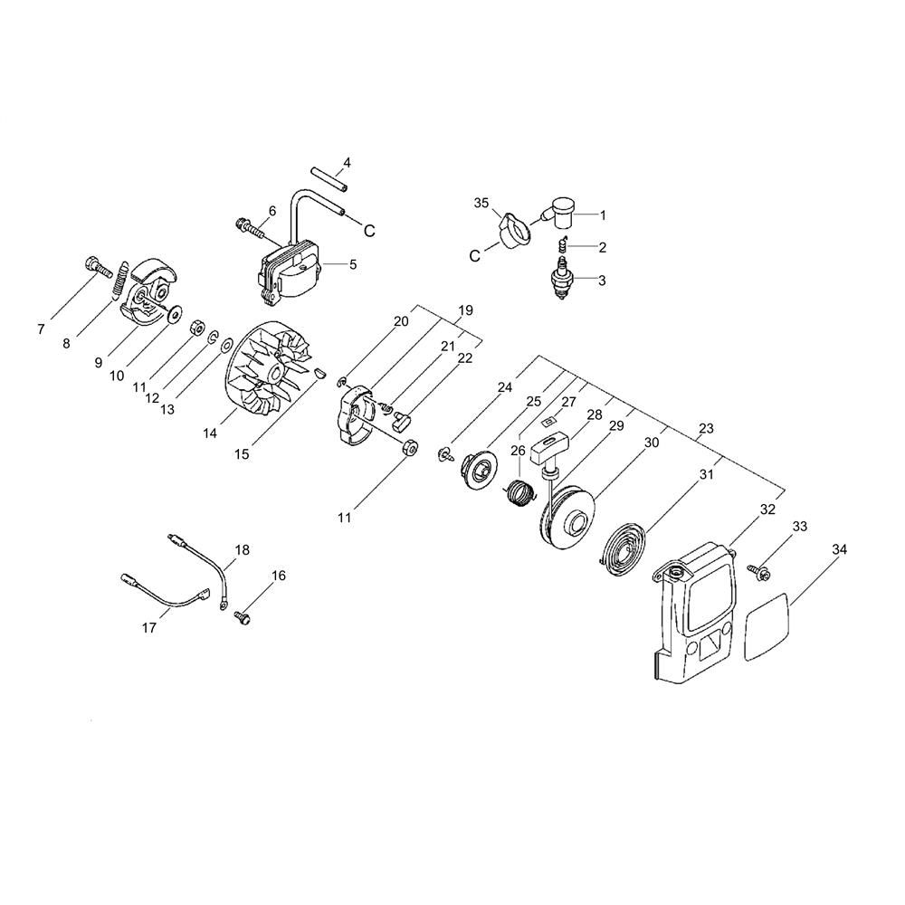
Description
The Starter, Magneto, and Clutch assembly for the ECHO SRM-335ES/U Brushcutter includes essential components for reliable operation. These parts ensure efficient engine start-up, ignition, and power transfer. Available in genuine and non-genuine options, they help maintain the performance and longevity of your brushcutter.
Reviews
Add a review
Write Your Own Review
Ask a Question
Customer Questions

