Description
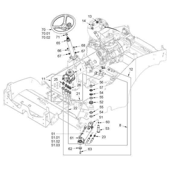
The Steering Assembly for the Hamm HD18 - 20 (H292) Roller is essential for maintaining precise control and manoeuvrability. This assembly includes components such as steering wheels, columns, and linkages, designed to ensure smooth operation and reliability. Genuine Hamm parts offer durability and compatibility, making them ideal for regular maintenance and repairs.
Reviews
Add a review
Write Your Own Review
Ask a Question
Customer Questions

