Description
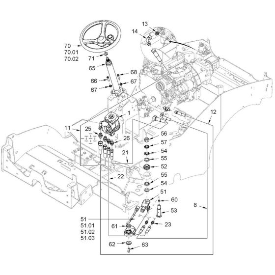
The Steering Assembly for Hamm HD18 - 20 (H293) Rollers is designed to ensure precise control and manoeuvrability. This assembly includes key components such as steering columns, hydraulic hoses, and control levers, which are essential for maintaining the roller's performance. Genuine Hamm parts ensure compatibility and reliability, supporting efficient operation on construction sites.
Reviews
Add a review
Write Your Own Review
Ask a Question
Customer Questions

