Description
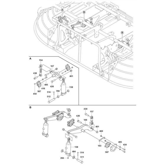
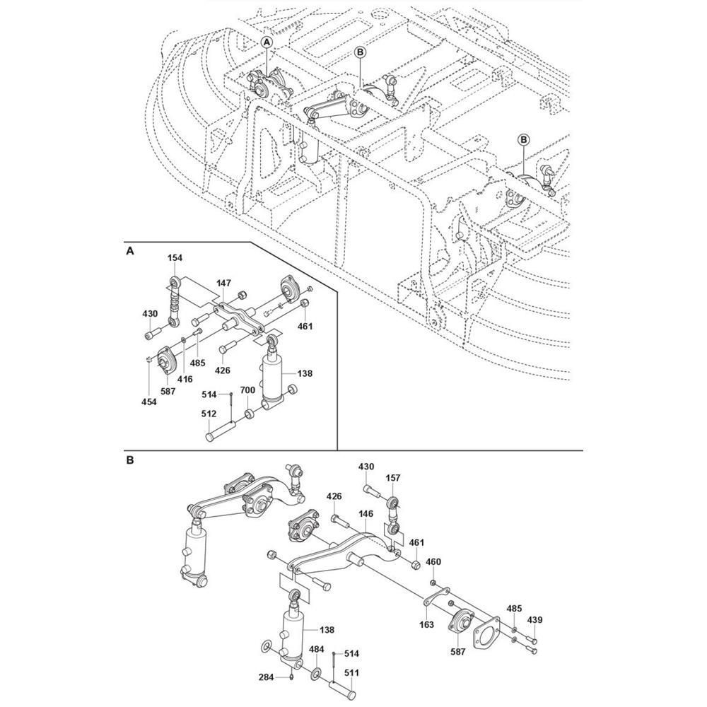
The Steering Assembly for the Husqvarna CRT 48 PS Petrol Trowel is designed to ensure precise control and manoeuvrability during operation. This assembly includes essential components such as levers, rods, and joints, which contribute to the smooth steering of the trowel. Regular maintenance of these parts can enhance the performance and longevity of your equipment.
Reviews
Add a review
Write Your Own Review
Ask a Question
Customer Questions

