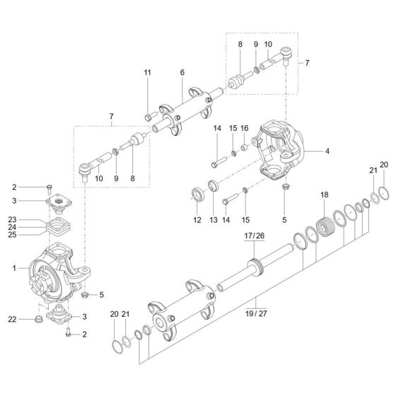
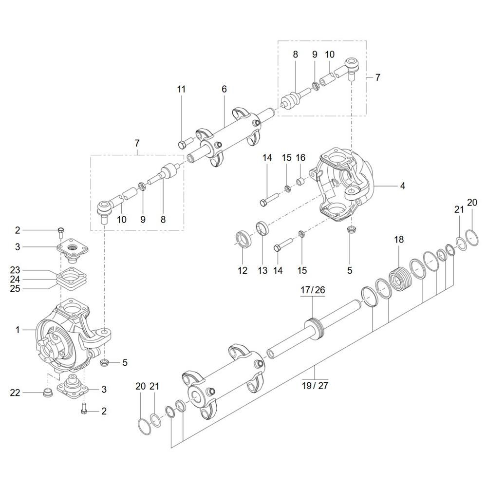
Description
The Steering Cylinder Assembly for the Wacker TH412 Telehandler is designed to ensure precise control and manoeuvrability. This assembly includes key components such as cylinders, seals, and fittings, which work together to maintain optimal steering performance. Essential for routine maintenance, it helps extend the lifespan of your telehandler by ensuring smooth operation.
Reviews
Add a review
Write Your Own Review
Ask a Question
Customer Questions

