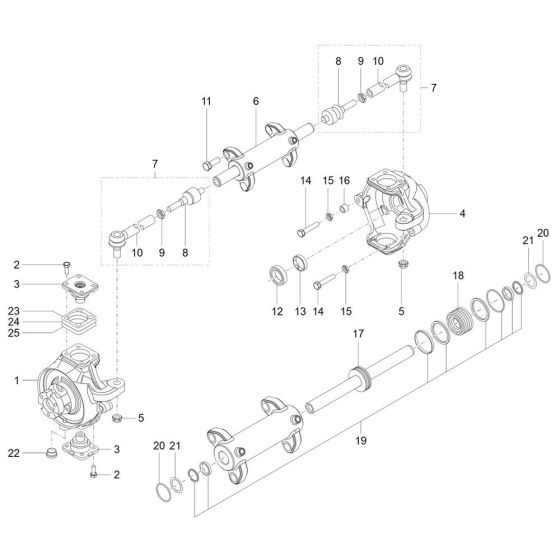
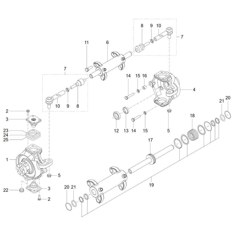
Description
The Steering Cylinder Assembly for the Wacker TH412e Telehandler is designed to ensure precise and reliable steering control. This assembly is crucial for maintaining the telehandler's manoeuvrability and includes components such as pistons, seals, and rods. Genuine Wacker Neuson parts ensure compatibility and durability, supporting the telehandler's performance in various operational conditions.
Reviews
Add a review
Write Your Own Review
Ask a Question
Customer Questions

