Description
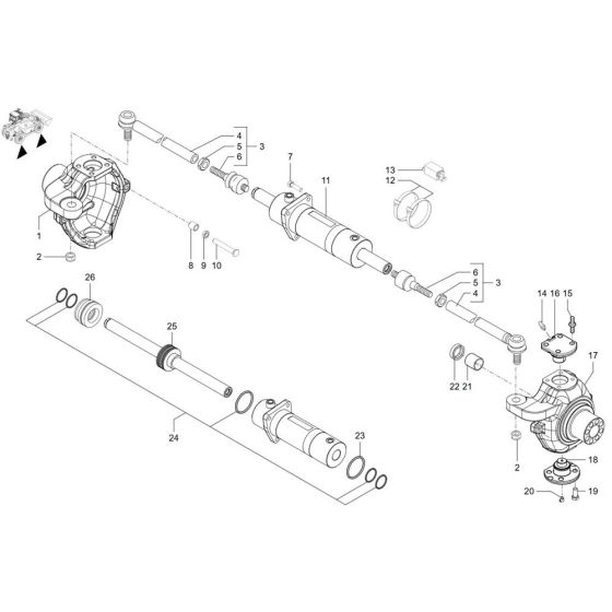
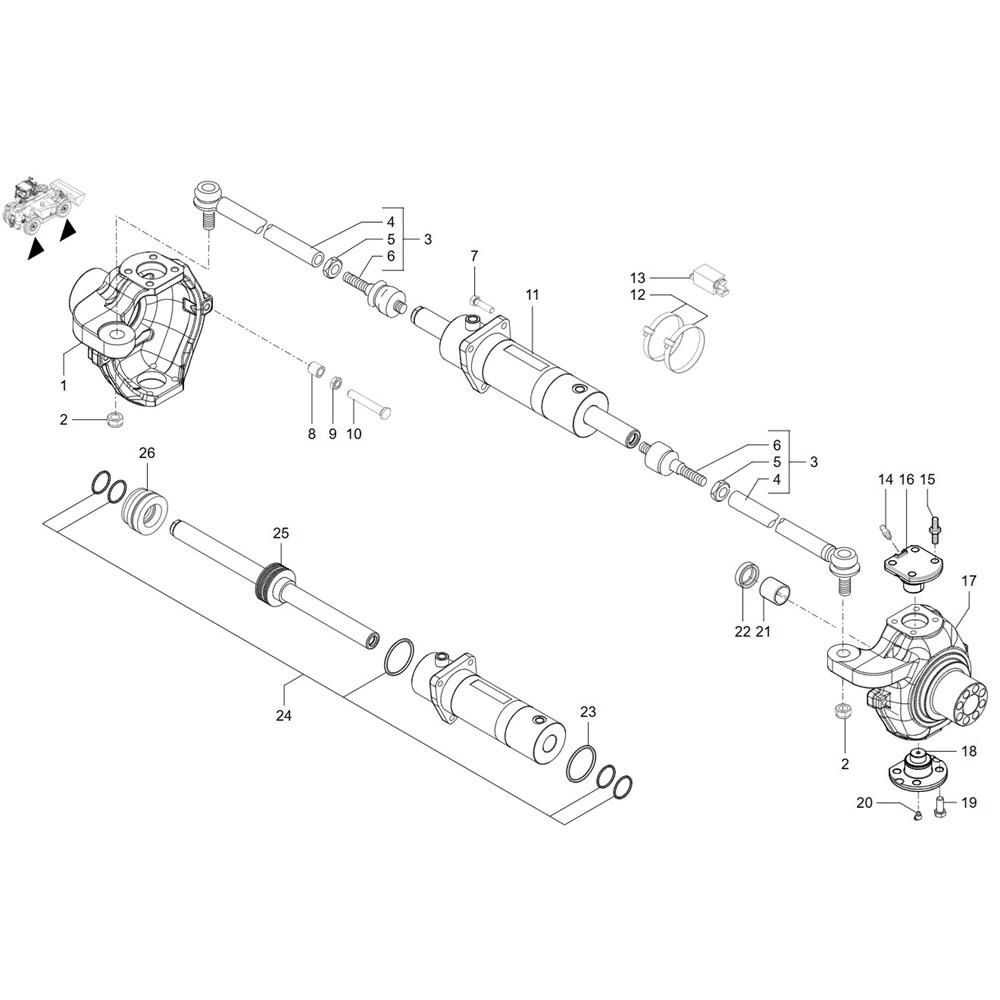
The Steering Cylinder Assembly for the Wacker TH744 (416-02) Telehandler is crucial for precise manoeuvrability and control. This assembly includes components like seals, rods, and pistons, ensuring smooth steering operations. Designed for durability and compatibility, it helps maintain optimal performance in demanding environments.
Reviews
Add a review
Write Your Own Review
Ask a Question
Customer Questions

