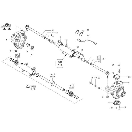
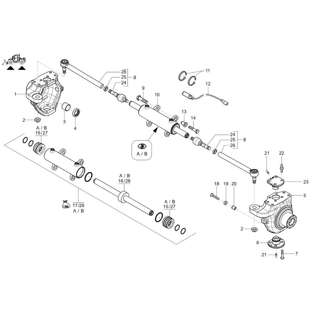
Description
The Steering Cylinder Assembly for the Wacker TH955 (416-36) Telehandler is crucial for precise manoeuvrability and control. This assembly includes components such as seals, rods, and pistons, ensuring optimal performance and reliability. Genuine Wacker Neuson parts are designed to fit perfectly and maintain the telehandler's efficiency.
Reviews
Add a review
Write Your Own Review
Ask a Question
Customer Questions

