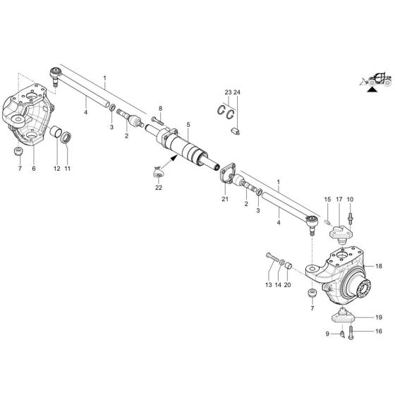
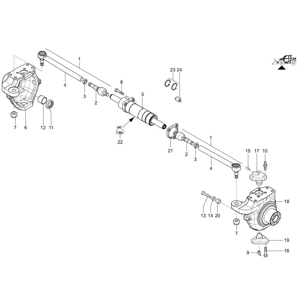
Description
The Steering Cylinder Assembly for the Wacker TH740 Telehandler is crucial for precise steering control and manoeuvrability. This assembly includes components such as pistons, seals, and rods, ensuring smooth operation and reliability. Designed for the Wacker Neuson Telehandler, it helps maintain optimal performance and safety during operation.
Reviews
Add a review
Write Your Own Review
Ask a Question
Customer Questions

