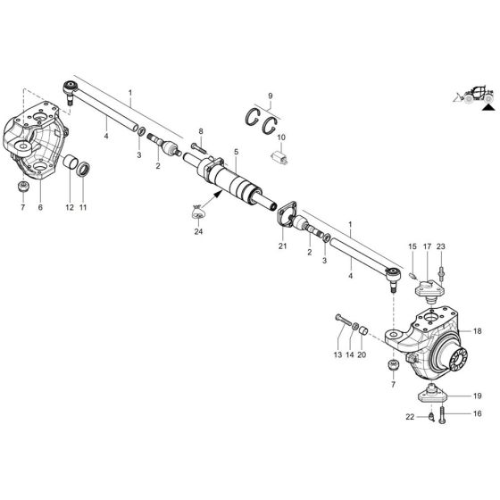
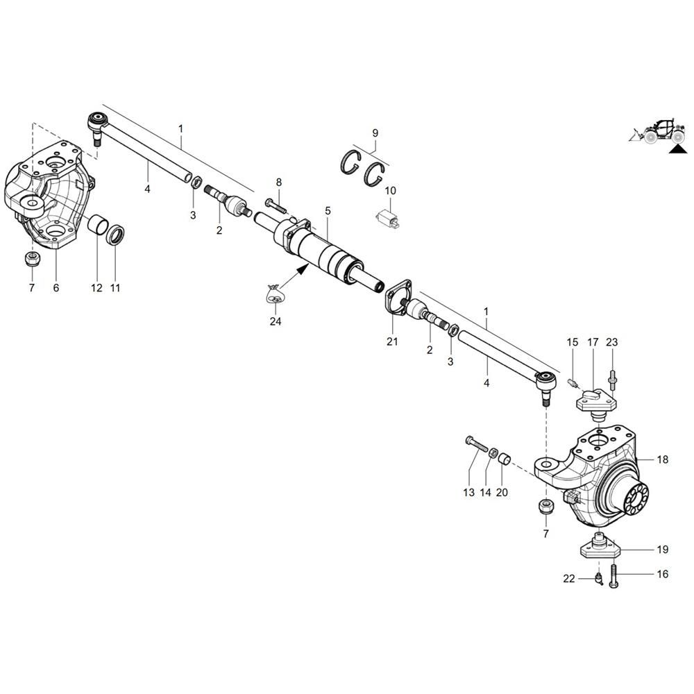
Description
The Steering Cylinder (Rear) Assembly for the Wacker TH740 (415-37) Telehandler is designed to ensure precise and reliable steering control. This assembly includes key components such as seals, pistons, and rods, which are essential for maintaining optimal performance and safety. Genuine Wacker Neuson parts ensure compatibility and durability for demanding construction environments.
Reviews
Add a review
Write Your Own Review
Ask a Question
Customer Questions

