Description
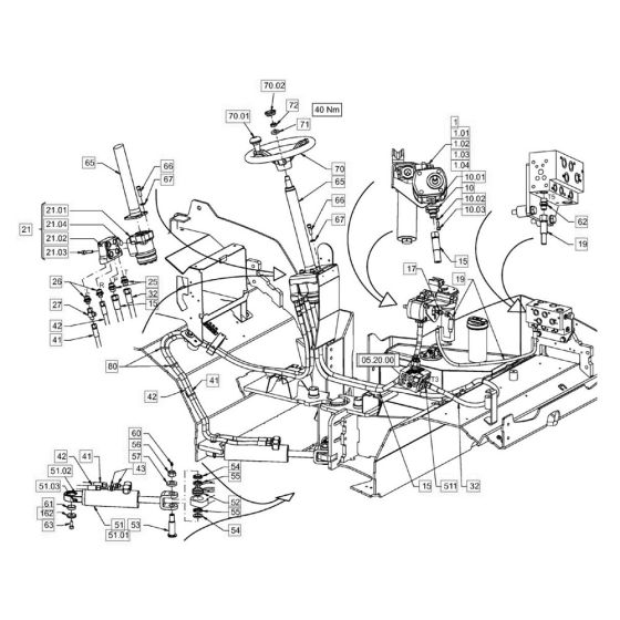
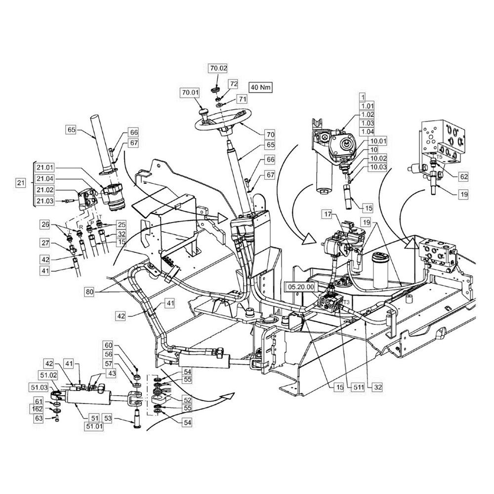
Steering components for the Hamm HD10 - 12 (H171) Compaction Roller ensure precise control and manoeuvrability. Essential for maintaining the roller's performance, these parts include steering wheels, columns, and linkages. Genuine and non-genuine options are available to suit different maintenance needs and budgets, ensuring compatibility and reliability.
Reviews
Add a review
Write Your Own Review
Ask a Question
Customer Questions

