Description
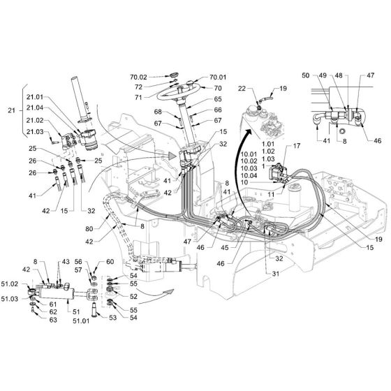
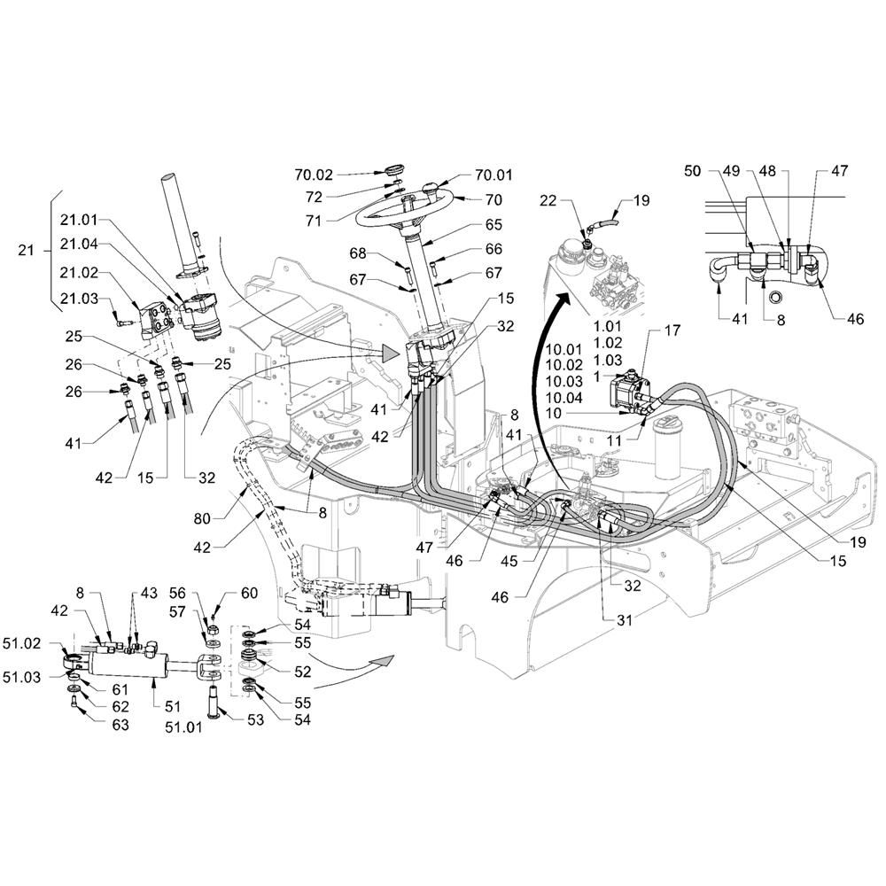
Steering components for Hamm HD10 - 12 (H262) Rollers ensure precise control and manoeuvrability. Essential for maintaining optimal performance, these parts include steering wheels, columns, and linkages. Genuine and non-genuine options are available, catering to various maintenance needs and preferences. Designed to withstand the demands of heavy-duty operation, these components are crucial for safety and efficiency.
Reviews
Add a review
Write Your Own Review
Ask a Question
Customer Questions

