Description
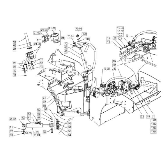
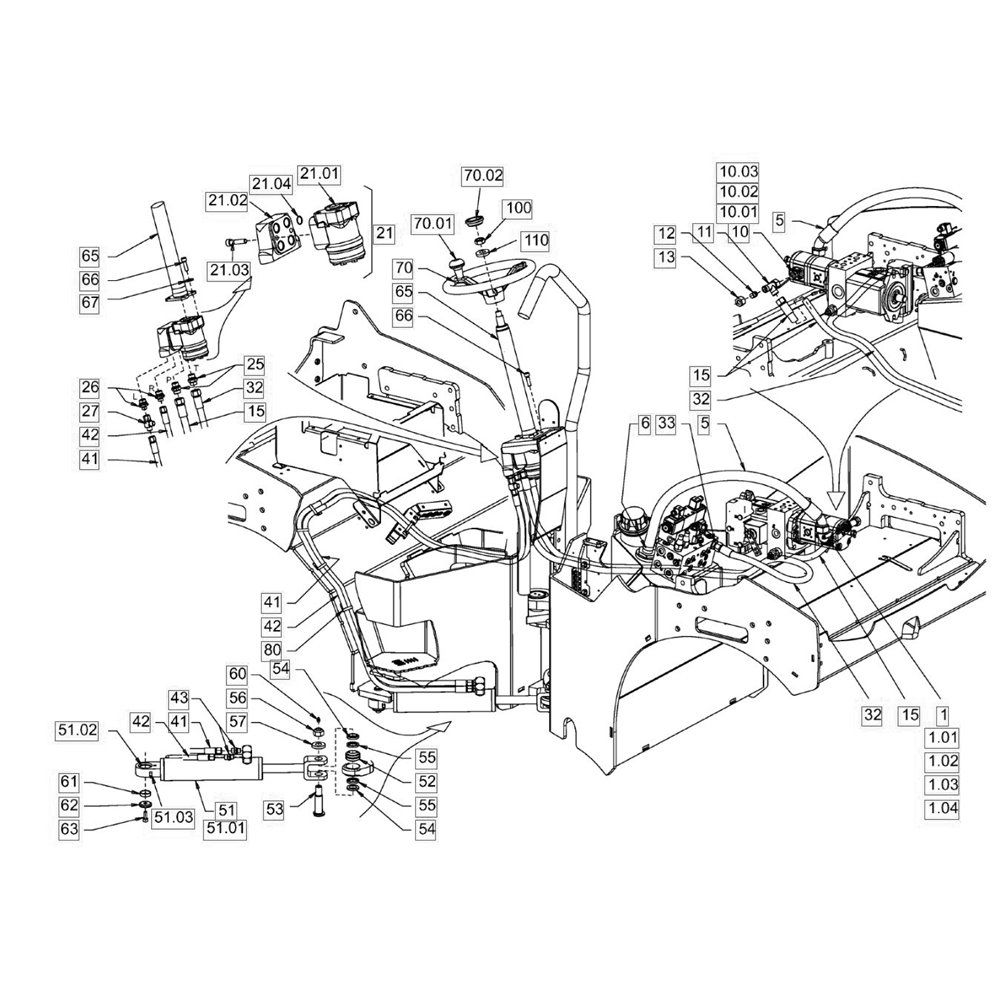
Steering components for the Hamm HD13 - 14 (H172) Compaction Roller ensure precise control and manoeuvrability. These parts are essential for maintaining the roller's steering system, providing reliable performance during compaction tasks. Options include both genuine and non-genuine parts, catering to various maintenance needs.
Reviews
Add a review
Write Your Own Review
Ask a Question
Customer Questions

