Description
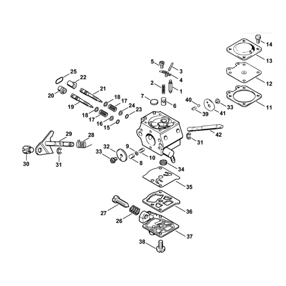
The Stihl FS88 Carburetor WT-367 Assembly is crucial for maintaining the performance of your brushcutter. It ensures optimal fuel and air mixture for efficient engine operation. This assembly includes various components such as gaskets, diaphragms, and springs, essential for routine maintenance and repairs. Available in genuine and non-genuine parts to suit different needs.
Reviews
Add a review
Write Your Own Review
Ask a Question
Customer Questions

