Description
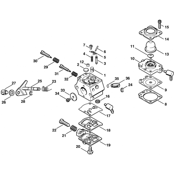
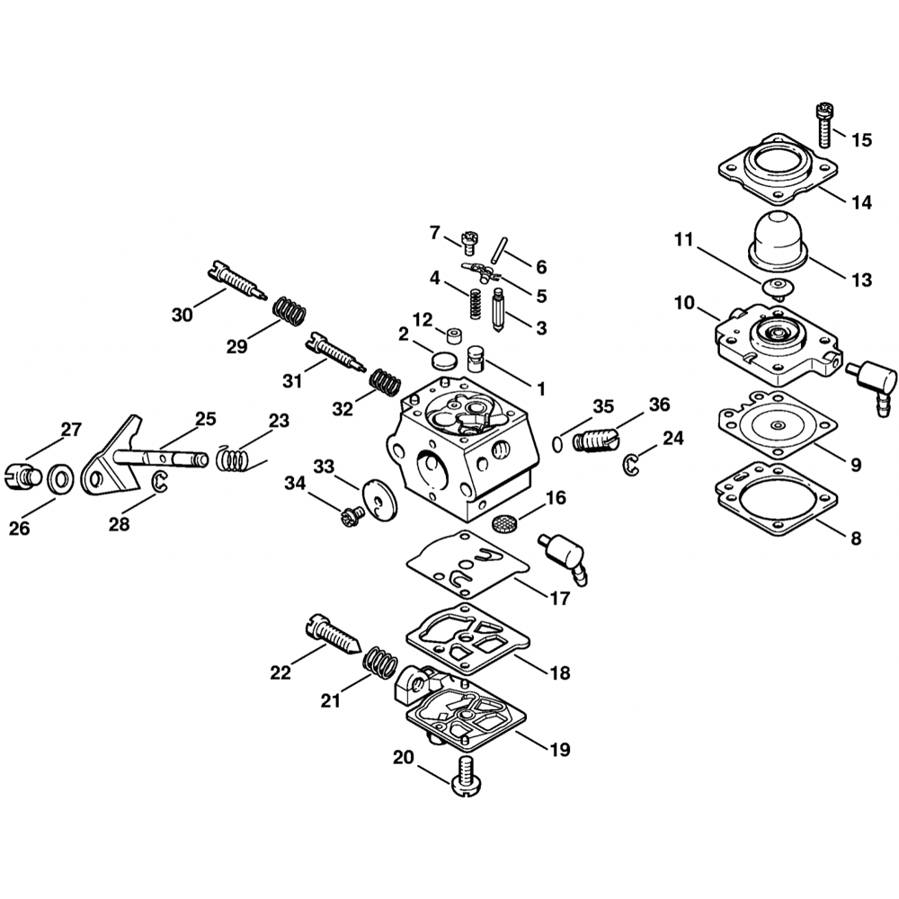
The carburettor assembly for Stihl HS72, HS74, and HS76 hedge trimmers ensures optimal fuel delivery and engine performance. This assembly includes components such as gaskets, springs, and levers, essential for maintaining the trimmer's efficiency. Available in both genuine and non-genuine parts, it supports routine maintenance and repairs.
Reviews
Add a review
Write Your Own Review
Ask a Question
Customer Questions

