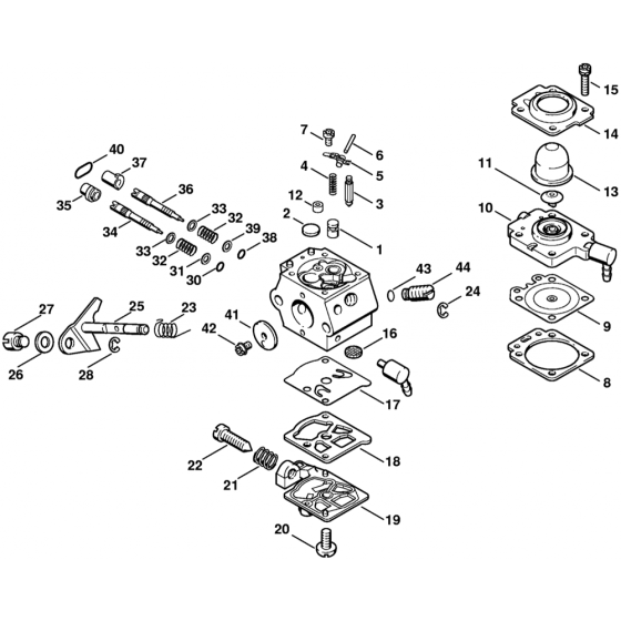
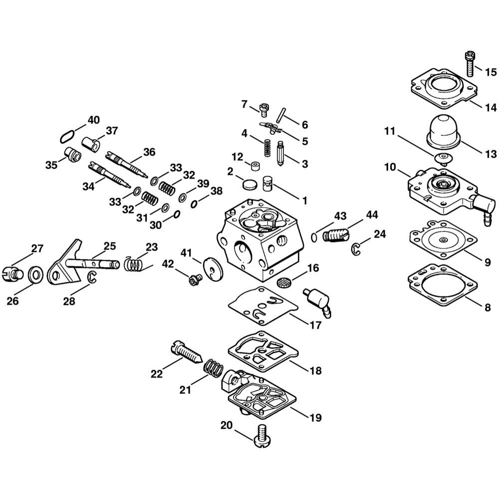
Description
The carburettor assembly for Stihl HS72, HS74, and HS76 hedge trimmers ensures optimal fuel delivery and engine performance. This assembly includes components such as gaskets, diaphragms, and springs, essential for maintaining the trimmer's efficiency. Suitable for routine maintenance and repair, it helps keep your hedge trimmer running smoothly.
Reviews
Add a review
Write Your Own Review
Ask a Question
Customer Questions

