
Stihl MVP 600.1 Cordless Powerhead Parts
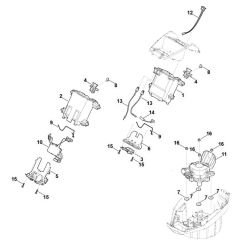
Spare Parts and Part Diagrams for Stihl MVP 600.1 Cordless Powerheads
Spare Parts and Part Diagrams for Stihl MVP 600.1 Cordless Powerheads

Spare Parts and Part Diagrams for Stihl MVP 600.1 Cordless Powerheads
Spare Parts and Part Diagrams for Stihl MVP 600.1 Cordless Powerheads