
Stihl MVP 600.1 VS Cordless Powerhead Parts
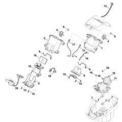
Spare Parts and Part Diagrams for Stihl MVP 600.1 VS Cordless Powerhead
Spare Parts and Part Diagrams for Stihl MVP 600.1 VS Cordless Powerhead

Spare Parts and Part Diagrams for Stihl MVP 600.1 VS Cordless Powerhead
Spare Parts and Part Diagrams for Stihl MVP 600.1 VS Cordless Powerhead