Description
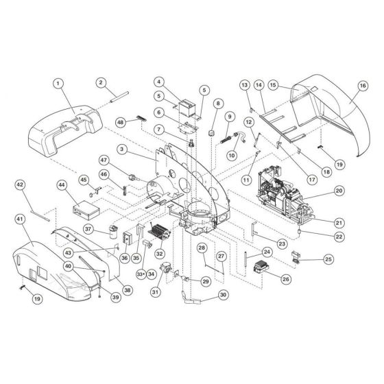
The Superstructure Assembly for Niftylift HR21 SP64 Hybrid AWD Access Platforms includes key components essential for the platform's stability and functionality. Designed for the Niftylift HR21 SP64, this assembly ensures optimal performance and safety. Components may include brackets, beams, and fasteners, all contributing to the structural integrity of the access platform.
Reviews
Add a review
Write Your Own Review
Ask a Question
Customer Questions

