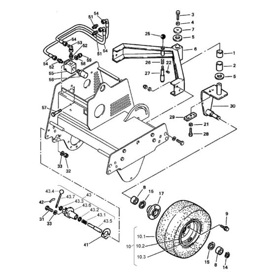
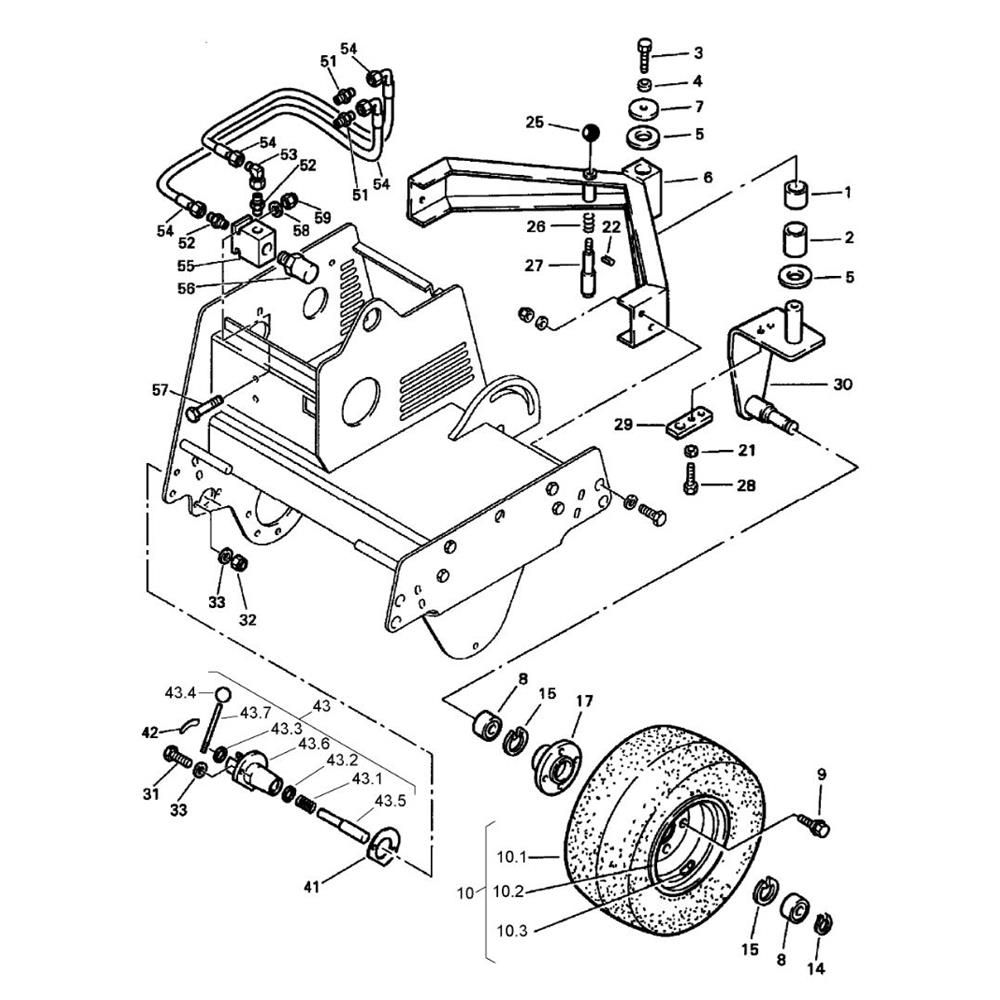
Description
The Supporting Wheel Assembly for the Bomag BW 71 E Roller ensures optimal performance and stability during operation. This assembly includes key components designed to support the roller's weight and enhance manoeuvrability. Suitable for serial numbers 101620201136 to 101620209999, it is essential for maintaining the roller's efficiency and longevity.
Reviews
Add a review
Write Your Own Review
Ask a Question
Customer Questions

