Description
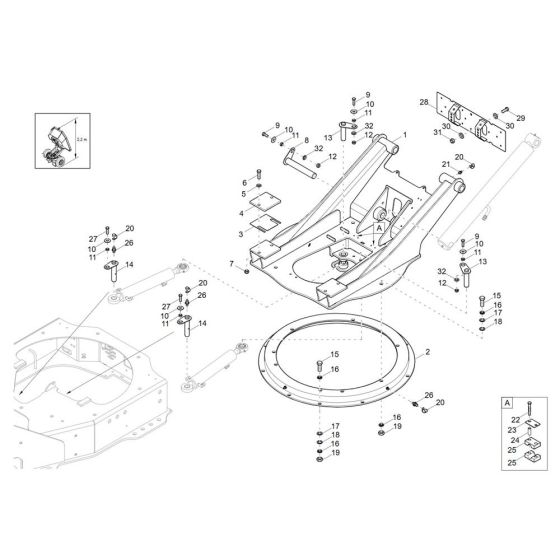
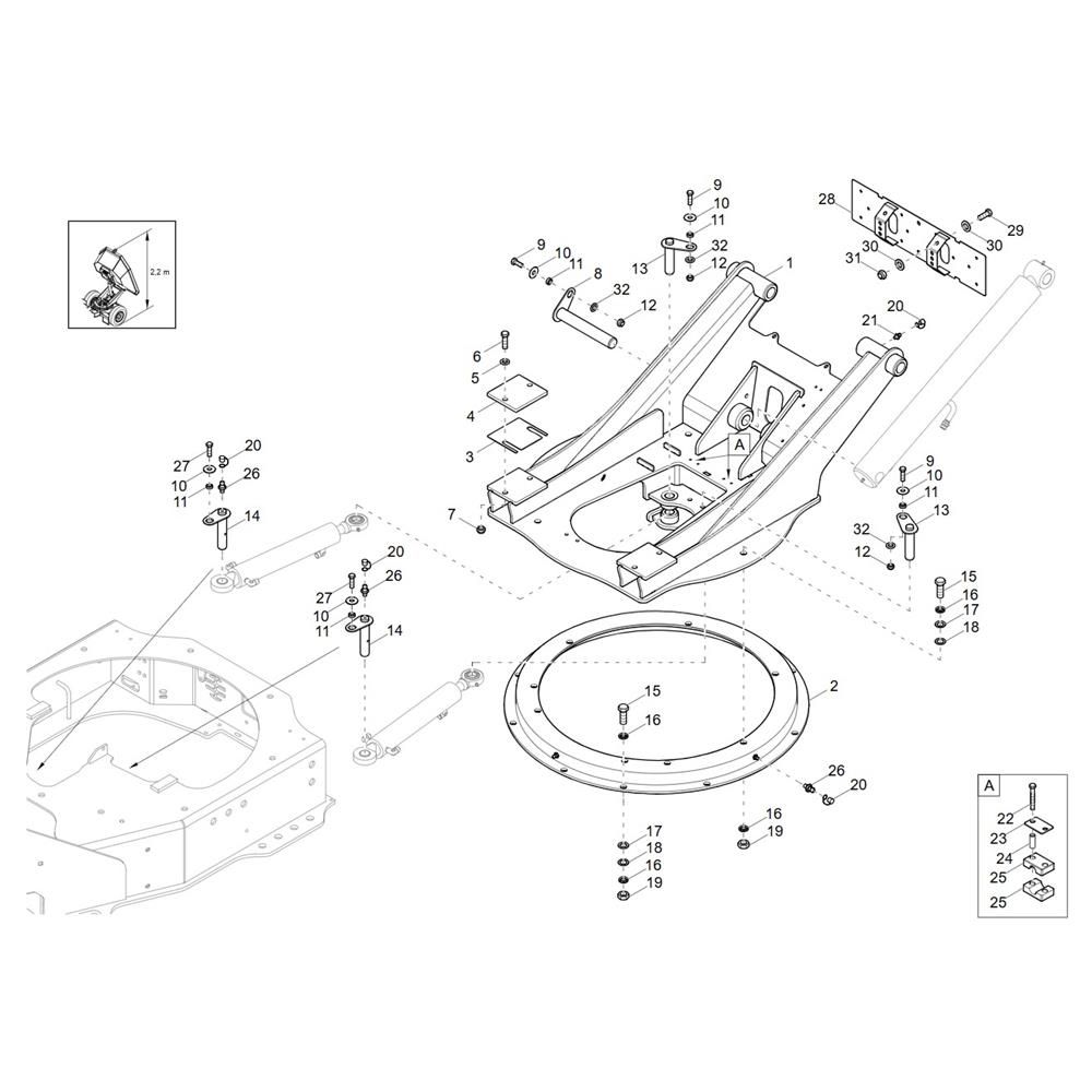
The Swing Bracket Assembly for the Wacker DW20-2 Dumper is designed to ensure optimal performance and durability. This assembly plays a crucial role in the operation of the dumper, providing stability and support. It includes components such as brackets, pins, and bushings, which are essential for maintaining the structural integrity and functionality of the machine. Genuine Wacker Neuson parts ensure compatibility and reliability.
Reviews
Add a review
Write Your Own Review
Ask a Question
Customer Questions

